EasyManua.ls Logo

Dell 3115CN - Removal 65 LOW VOLTAGE POWER SUPPLY (PL13.5.14)

Dell 3115CN
823 pages
Print Icon
To Next Page IconTo Next Page
To Next Page IconTo Next Page
To Previous Page IconTo Previous Page
To Previous Page IconTo Previous Page
Loading...
3 - 95
Chapter 3 Removal and Replacement Procedures (RRPs)
Version 1 2006.11.28
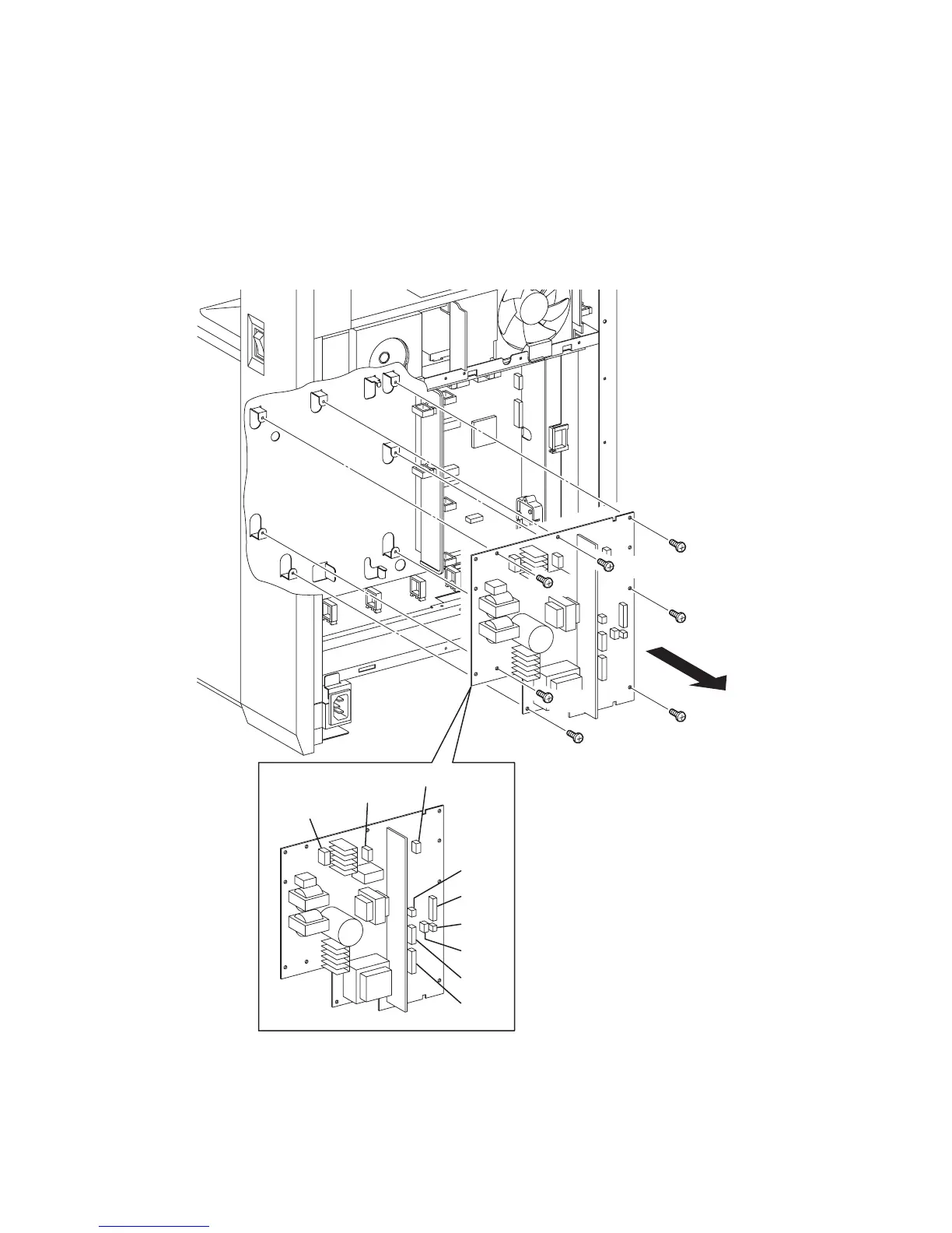
Removal 65 LOW VOLTAGE POWER SUPPLY (PL13.5.14)
Steps 1 through 6 are for reference. Before removing this component, check that Steps 1 through 6
have been performed.
1) Remove the REAR COVER. (Removal 49)
2) Remove the COVER BOTTOM. (Removal 50)
3) Remove the COVER POLE IN L. (Removal 57)
4) Remove the COVER POLE L. (Removal 58)
5) Remove the BOX ASSY PRT AIO. (Removal 60)
6) Remove the BOX ASSY FAX AIO. (Removal 62)
7) Disengage all the connectors of the LOW VOLTAGE POWER SUPPLY (PL13.5.14).
8) Remove the seven screws (silver, 6mm) that fix the LOW VOLTAGE POWER SUPPLY to the
printer.
9) Remove the LOW VOLTAGE POWER SUPPLY from the printer.
Gnb03174KA
8)
8)
8)
9)
8)
7)
8)
8)
8)
(P44)
(P502)
(P501)
(P504)
(P503)
(P40a)
(P40b)
(P47)
(P48)

Table of Contents

Other manuals for Dell 3115CN

Related product manuals