EasyManua.ls Logo

Dell 3115CN - Page 758

Dell 3115CN
823 pages
Print Icon
To Next Page IconTo Next Page
To Next Page IconTo Next Page
To Previous Page IconTo Previous Page
To Previous Page IconTo Previous Page
Loading...
7 - 8
Chapter 7 Wiring Diagrams and Signal Information
Version 1 2006.11.21
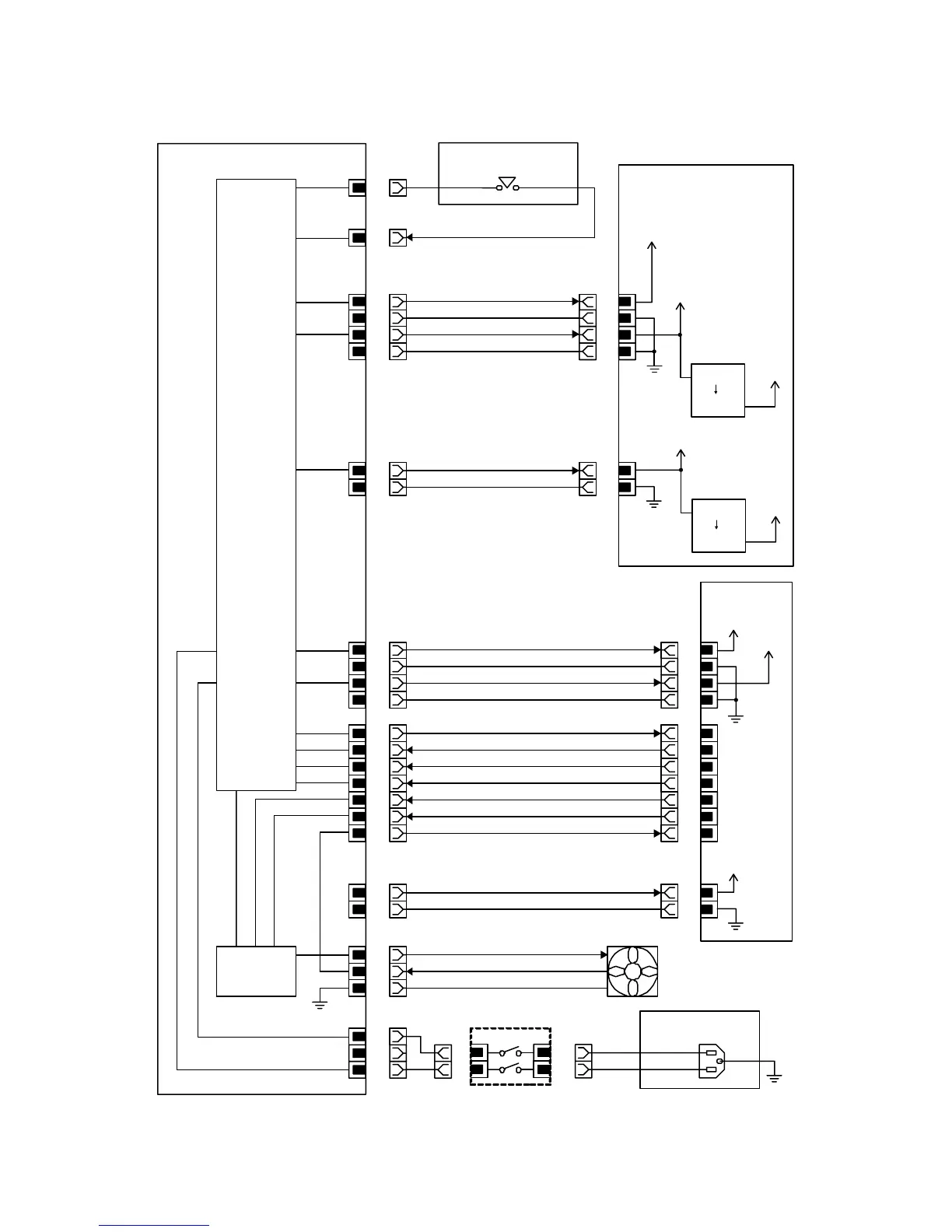
§ 1 DC POWER SUPPLY
PWBA MCU
PL9.1.20
POWER
CONTROL
FAN
CONTROL
1
3
P/J44
I/L +24VDC
1
2
P/J502
1
2
3
P/J503
LINE
NUT
FAN
PL13.5.10
FAN +24VDC
FAN ALARM
SG
I/L +24VDC
P/J501 P/J14
+3.3VDC
+5VDC
1
2
3
4
7
8
9
10
11
12
13
P/J15
1
2
SG
13
12
11
10
7
6
5
4
3
2
1
3
1
1
2
3
HARN ASSY INTERLOCK AIO
PL13.5.3
SG
+5VDC
+3.3VDC
SG
LV TYPE
DEEP SLEEP
SLEEP
24V OFF
FAN STOP
FAN LOW
FAN ALARM
HARN ASSY INLET AIO
PL13.5.16
P/J481
P/J48
GNB07002KA
SWITCH POWER
PL9.1.13
HARN ASSY LVPS AIO
PL13.6.3
HARN ASSY 24V AIO
PL13.6.4
INTERLOCK
+24VDC
4
2
P/J481
5
6
+24VDC
P/J40B P/J50
+3.3VDC
+5VDC
1
2
3
4
5
6
SG
1
2
3
4
SG
+5VDC
+3.3VDC
SG
HARN ASSY ESS POWER AIO
PL13.6.11
+24VDC
LVPS
PL13.5.14
PWBA HYUI
PL13.4.1
+3.3VDC
+1.5VDC
+1.5VDC
+24VDC
+12VDC
+12VDC

Table of Contents

Other manuals for Dell 3115CN

Related product manuals