EasyManua.ls Logo

Dell 3115CN - Page 536

Dell 3115CN
823 pages
Print Icon
To Next Page IconTo Next Page
To Next Page IconTo Next Page
To Previous Page IconTo Previous Page
To Previous Page IconTo Previous Page
Loading...
3 - 127
Chapter 3 Removal and Replacement Procedures (RRPs)
Version 2 2007.03.20
Replacement 12 PRINT HEAD (PL13.3.99)
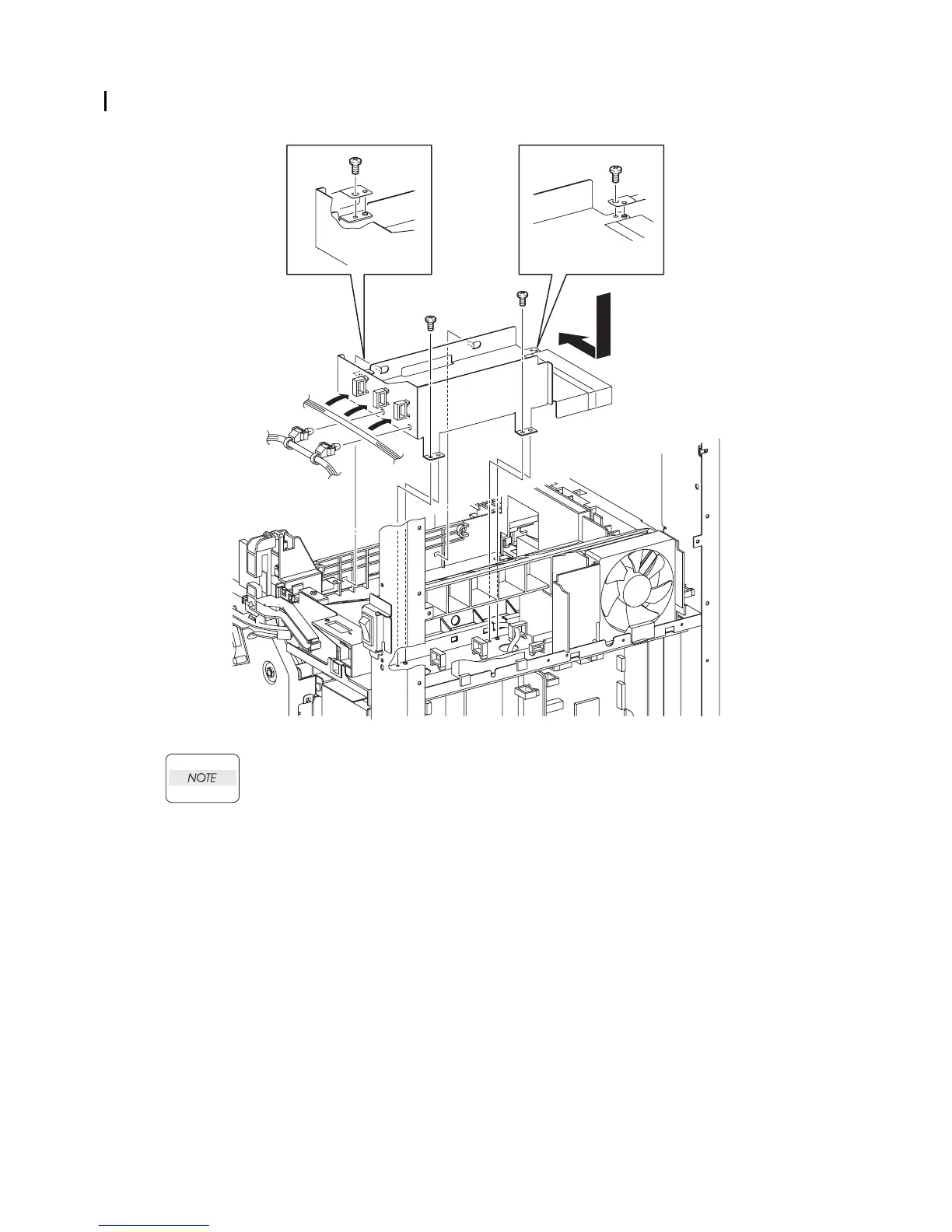
When securing the two positions shown in the figure, make sure that the FRAME ASSY
EARTH is under the PLATE EARTH.
7) Mate the hole of the FRAME ASSY EARTH with the boss of the printer by inserting the two
hooks on the front side of the FRAME ASSY EARTH into the holes of the printer.
8) Secure the FRAME ASSY EARTH to the printer using the four screws (silver, 6mm).
9) Replace the two clamps on the harness of the HARN ASSY FUSER AIO to the FRAME ASSY
EARTH.
10) Secure the harness of the HARN ASSY FUSER AIO with the three clamps on the FRAME
ASSY EARTH.
Go to the next replacement step:
Replacement 60 BOX ASSY FAX AIO (PL13.4.4)
Gnb03152KA
NOTE NOTE
10)
8)
9)
9)
8)
8)
8)
7)

Table of Contents

Other manuals for Dell 3115CN

Related product manuals