EasyManua.ls Logo

GigaDevice Semiconductor GD32VF103 - Figure 5-2. Clock Tree

GigaDevice Semiconductor GD32VF103
536 pages
Print Icon
To Next Page IconTo Next Page
To Next Page IconTo Next Page
To Previous Page IconTo Previous Page
To Previous Page IconTo Previous Page
Loading...
GD32VF103 User Manual
64
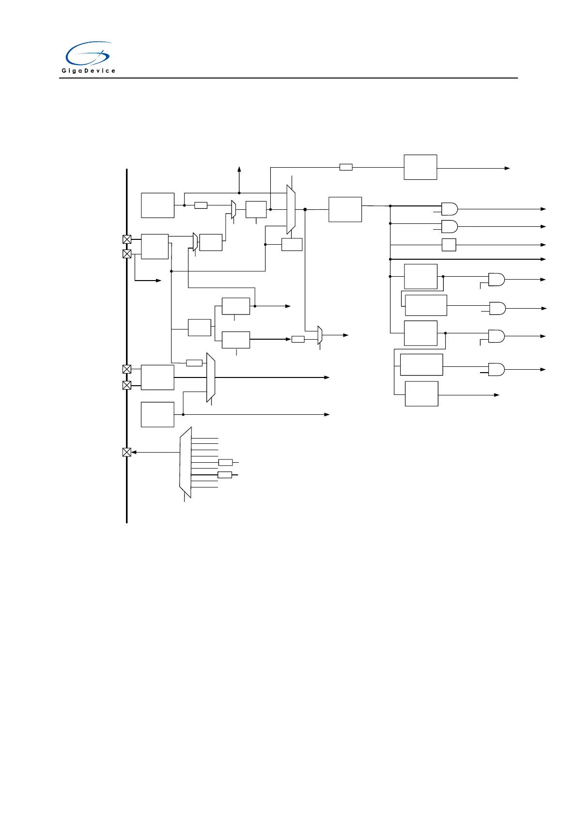
Figure 5-2. Clock tree
/2
3-25 MHz
HXTAL
8 MHz
IRC8M
×2,3,4
,32
PLL
Clock
Monitor
PLLSEL PLLMF
0
1
00
01
10
CK_IRC8M
CK_HXTAL
CK_PLL CK_SYS
108 MHz max
AHB
Prescaler
÷1,2...512
CK_AHB
108 MHz max
APB1
Prescaler
÷1,2,4,8,16
TIMER1,2,3,4,5,6
if(APB1 prescale
=1)x1
else x 2
APB2
Prescaler
÷1,2,4,8,16
TIMER0 if(APB2
prescale =1)x1
else x 2
ADC
Prescaler
÷2,4,6,8,12,1
6
CK_APB2
108 MHz max
Peripheral enable
PCLK2
to APB2 peripherals
CK_APB1
54 MHz max
Peripheral enable
PCLK1
to APB1 peripherals
TIMERx
enable
CK_TIMERx
to TIMER0
TIMERx
enable
CK_TIMERx
to TIMER1,2,3,4, 5,6
CK_ADCx to ADC0, 1
14 MHz max
AHB enable
HCLK
(to AHB bus,CPU,SRAM,DMA)
EXMC enable
CK_EXMC
(to EXMC)
÷8
CK_CST
(to CPU SysTick)
FCLK
(free running clock)
USB OTG
Prescaler
1,1.5,2,2.5
CK_USBFS
(to USBFS)
32.768 KHz
LXTAL
11
10
01
40 KHz
IRC40K
CK_RTC
CK_FWDGT
(to RTC)
(to FWDGT)
/128
CK_OUT0
SCS[1:0]
RTCSRC[1:0]
PREDV0
0
1
CK_PLL
CK_HXTAL
CK_IRC8M
CK_SYS
/20111
00xx
NO CLK
0100
0101
0110
CKOUT0SEL[3:0]
48 MHz
EXT1
/2
1000
1001
1010
CK_PLL1
CK_PLL2
1011
CK_PLL2
/1,2,3
15,16
PREDV1
×8,9,10,
14,16,20
PLL1
PLL1MF
PLL2MF
×8,9,10,
14,16,20
PLL2
CK_PLL1
CK_PLL2
/1,2,3
15,16
x2
I2S1/2SEL
0
1
CK_I2S
1
EXT1 to
CK_OUT0
PREDV0SEL
CK_FMC
(to FMC)
The frequency of AHB, APB2 and the APB1 domains can be configured by each prescaler.
The maximum frequency of the AHB, APB2 and APB1 domains is 108 MHz/108 MHz/54 MHz.
The RISCV System Timer (SysTick) external clock is clocked with the AHB clock (HCLK)
divided by 8. The SysTick can work either with this clock or with the AHB clock (HCLK),
configurable in the SysTick Control and Status Register.
The ADCs are clocked by the clock of APB2 divided by 2, 4, 6, 8, 12, 16.
The TIMERs are clocked by the clock divided from CK_APB2 and CK_APB1. The frequency
of TIMERs clock is equal to CK_APBx(APB prescaler is 1), twice the CK_APBx(APB

Table of Contents

Related product manuals