EasyManua.ls Logo

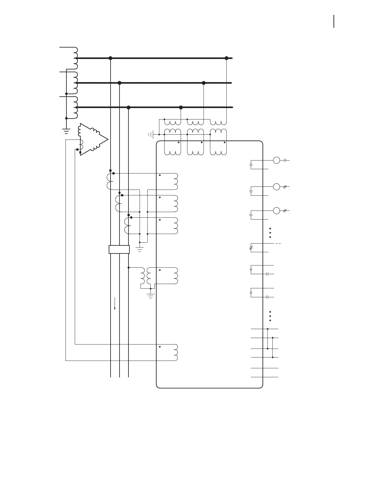
Schweitzer Engineering Laboratories SEL-421-4 - Figure 2.55 Typical External AC;DC Connections-Single Circuit Breaker

Schweitzer Engineering Laboratories SEL-421-4
1518 pages
Print Icon
To Next Page IconTo Next Page
To Next Page IconTo Next Page
To Previous Page IconTo Previous Page
To Previous Page IconTo Previous Page
Loading...
2.51
Date Code 20171021 Instruction Manual SEL-421 Relay
Installation
AC/DC Connection Diagrams
Figure 2.55 Typical External AC/DC Connections—Single Circuit Breaker
52
Circuit
Breaker
Synch Check
I POL
IAX
VAZ
ICW
IBW
IAW
VCY VBY VAY
A
BUS
SEL-421 Relay
B
C
LINE
Forward Direction
Trip Coil
52A1
OUT101
(+)
(—)
Breaker 1
Trip
Circuit
TC
Close Coil
52B1
OUT102
(+)
(—)
Breaker 1
Close
Circuit
CC
Lock Out
86B1
OUT103
(+)
(—)
Breaker
Failure
Trip
Circuit
86
OUT108
(+)
Alarm to
Annunciator, RTU,
or SEL-2020/2030
IN101
(+)
(—)
(+)
(—)
(+)
(—)
(+)
(—)
(—)
IN102
52A1
Breaker Status 1
Breaker
Failure Lock Out
PowerPower
Vdc1
Vdc2
Monitor Vdc1
(Station Battery)
Monitor Vdc2
(Trip Circuits,
Comms)
BF LO
(+)

Table of Contents

Related product manuals