EasyManua.ls Logo

Schweitzer Engineering Laboratories SEL-421-4 - Figure 5.131 Alternative Synchronism-Check Source 2 Example and Settings

Schweitzer Engineering Laboratories SEL-421-4
1518 pages
Print Icon
To Next Page IconTo Next Page
To Next Page IconTo Next Page
To Previous Page IconTo Previous Page
To Previous Page IconTo Previous Page
Loading...
5.175
Date Code 20171021 Instruction Manual SEL-421 Relay
Protection Functions
Synchronism Check
chronism-Check Voltage Source 2 (ASYNCS2) and corresponding settings
AKS2M and AKS2A for the regular Synchronism-Check Voltage Source 2 val-
ues SYNCS2, KS2M, and KS2A. The result is a normalized synchronism-check
voltage source V
S2
derived from the alternative source.
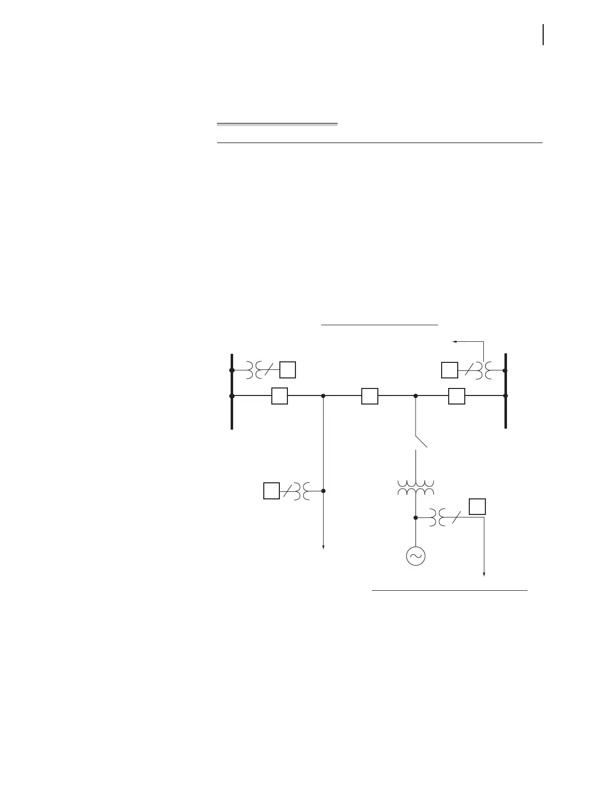
Example 5.1
Figure 5.131 shows an extra circuit breaker (BK3) and a generator position
added to the existing example system of Figure 5.119. You can monitor the
voltage at the generator position by connecting a single-phase voltage to
remaining voltage input VCZ (see Figure 5.122). Make setting
ASYNCS2 := VCZ to designate this relay voltage input as the alternate syn-
chronism-check voltage source.
ASYNCS2 := VCZ. Alternative Synchronism Source 2 (VAY, VBY, VCY,
VAZ, VBZ, VCZ)
For this new synchronism source voltage connection, adjust the source-to-
reference magnitude ratio with setting AKS2M and the source-to-reference
angle compensation with setting AKS2A, considering the settings for Volt-
age Magnitude and Angle Compensation on page 5.163.
For example, in Figure 5.131, the Bus 2 voltage is the regular Synchronism-
Check Voltage Source 2 for synchronism check across Circuit Breaker BK2.
However, if Circuit Breaker BK3 is open and the generator switch is closed,
the Synchronism-Check Voltage Source 2 transfers to the alternative Syn-
chronism-Check Voltage Source 2 the voltage from the generator position.
Figure 5.131 Alternative Synchronism-Check Source 2 Example and Settings
Bus 1
Line
Switch
SYNCS2 — designate voltage input
KS2M — adjust magnitude to reference
KS2A — adjust angle to reference
Bus 2
BK2 BK3
BK1
Generator
Synchronism-Check Voltage Source 2
ASYNCS2 — designate voltage input
AKS2M — adjust magnitude to reference
AKS2A — adjust angle to reference
ALTS2 — enable alternative source 2
Alternative Synchronism-Check Voltage Source 2
1
3
1
1

Table of Contents

Related product manuals