EasyManua.ls Logo

Schweitzer Engineering Laboratories SEL-421-4 - Page 1067

Schweitzer Engineering Laboratories SEL-421-4
1518 pages
Print Icon
To Next Page IconTo Next Page
To Next Page IconTo Next Page
To Previous Page IconTo Previous Page
To Previous Page IconTo Previous Page
Loading...
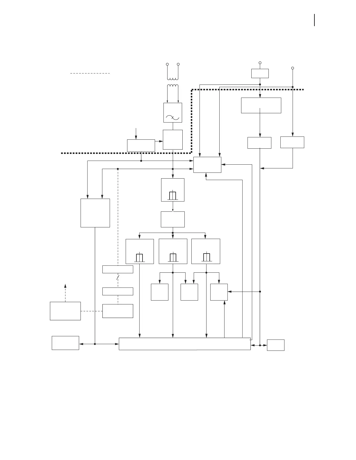
9.3
Date Code 20171006 Instruction Manual SEL-400 Series Relays
Reporting
Data Processing
The software portion of input signal processing receives the high-resolution raw
data sampled quantities and passes these to the Anti-Aliasing Digital Filter. The
half-power or –3 dB point of the anti-aliasing filter is 640 Hz. Subsequent pro-
cessing decimates the sampled data to the processing interval using additional
digital filtering. This information is the filtered data for event reports and other
relay functions. The relay downsamples the filtered data to present 4-samples/
cycle event reports.
Figure 9.1 Input Processing
8 kHz
A/D
Low Pass
Filter
Hi-Res Data
COMTRADE
Breaker
Monitor
8000 samples/second
Anti-Alias
Digital LPF
Voltages/Currents
Control Inputs
Optoisolated
V&I Source
Select
Debounce
A/D
Hardware
Software
Filtered
Event
Report
Metering
SER
Protection and Automation
RMS
Digital Filter
Half-Cycle
Digital Filter
1-Cycle Cosine
Digital Filter
Digital Elements
Analog Quantities
Sync
IRIG-B
(BNC)
Time of Sample
High-Accuracy
Clock
PROTO := PMU
serial port(s)
Filter and
Down-Sample,
Correlated to
GPS Time
Reference
Synchrophasors
(50 or 60 per second,
depending on NFREQ setting)
Digital Elements (except control inputs)
Settable Pickup
and Dropout Voltage
Debounce
Direct-Coupled
Downsampling
4.8 kHz/
4 kHz
Scaling
Build SV
Packet
SV Publication
Process Bus
Ethernet Ports
Only applicable to relays with
SV publication capabilities.

Table of Contents

Related product manuals