EasyManua.ls Logo

Schweitzer Engineering Laboratories SEL-421-4 - Page 1069

Schweitzer Engineering Laboratories SEL-421-4
1518 pages
Print Icon
To Next Page IconTo Next Page
To Next Page IconTo Next Page
To Previous Page IconTo Previous Page
To Previous Page IconTo Previous Page
Loading...
9.5
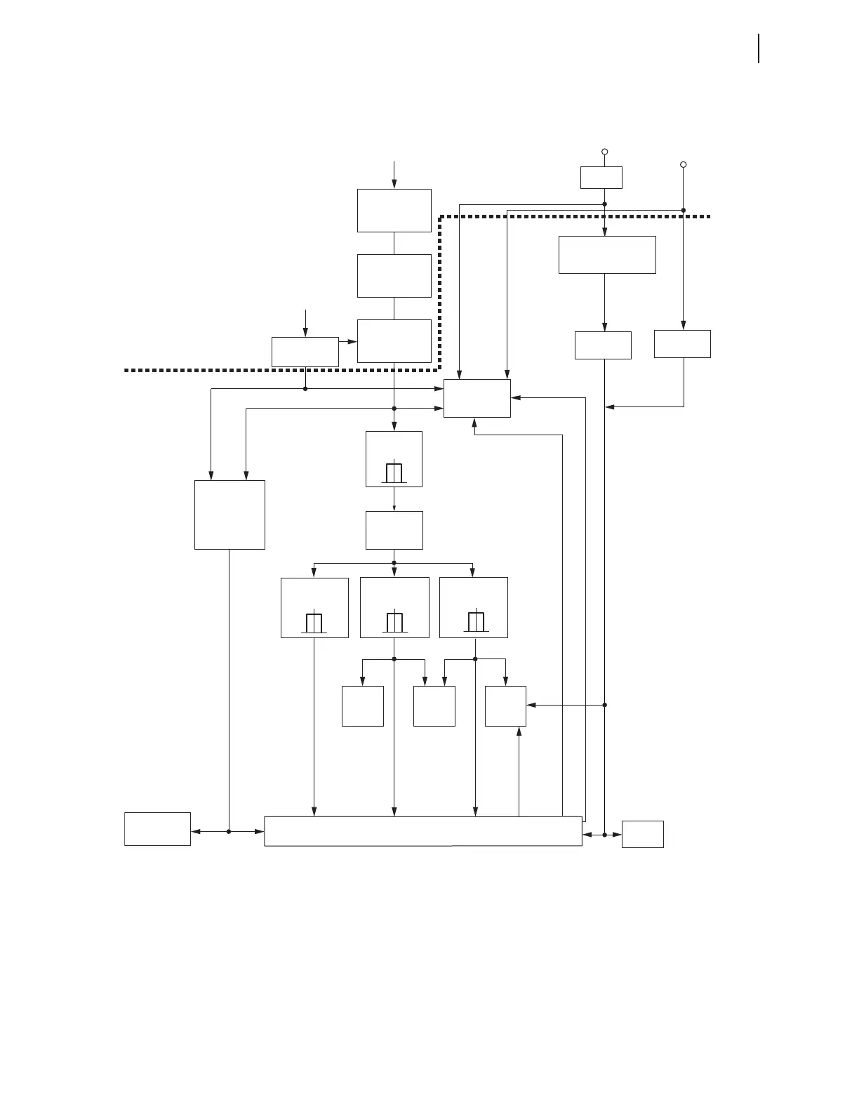
Date Code 20171006 Instruction Manual SEL-400 Series Relays
Reporting
Data Processing
Figure 9.2 Input Processing of SEL-400 Series Relays With SV Remote Data Acquisition
Hi-Res Data
COMTRADE
Breaker
Monitor
8000 samples/second
Anti-Alias
Digital LPF
Control Inputs
Optoisolated
V&I Source
Select
Debounce
A/D
Hardware
Software
Filtered
Event
Report
Metering
SER
Protection and Automation
RMS
Digital Filter
Half-Cycle
Digital Filter
1-Cycle Cosine
Digital Filter
Digital Elements
Analog Quantities
Sync
IRIG-B
(BNC)
Time of Sample
High-Accuracy
Clock
PROTO := PMU
serial port(s)
Filter and
Down-Sample,
Correlated to
GPS Time
Reference
Synchrophasors
(50 or 60 per second,
depending on NFREQ setting)
Digital Elements (except control inputs)
Settable Pickup
and Dropout Voltage
Debounce
Direct-Coupled
SV Filtering
and Decoding
Scaling
Resampling
4.8 kHz/4 kHz SV
8 kHz

Table of Contents

Related product manuals