EasyManua.ls Logo

Renault Duster 2007 - Page 792

Renault Duster 2007
1162 pages
Print Icon
To Next Page IconTo Next Page
To Next Page IconTo Next Page
To Previous Page IconTo Previous Page
To Previous Page IconTo Previous Page
Loading...
62C-17
V1
MR-453-X79-62C000$040.mif
62C
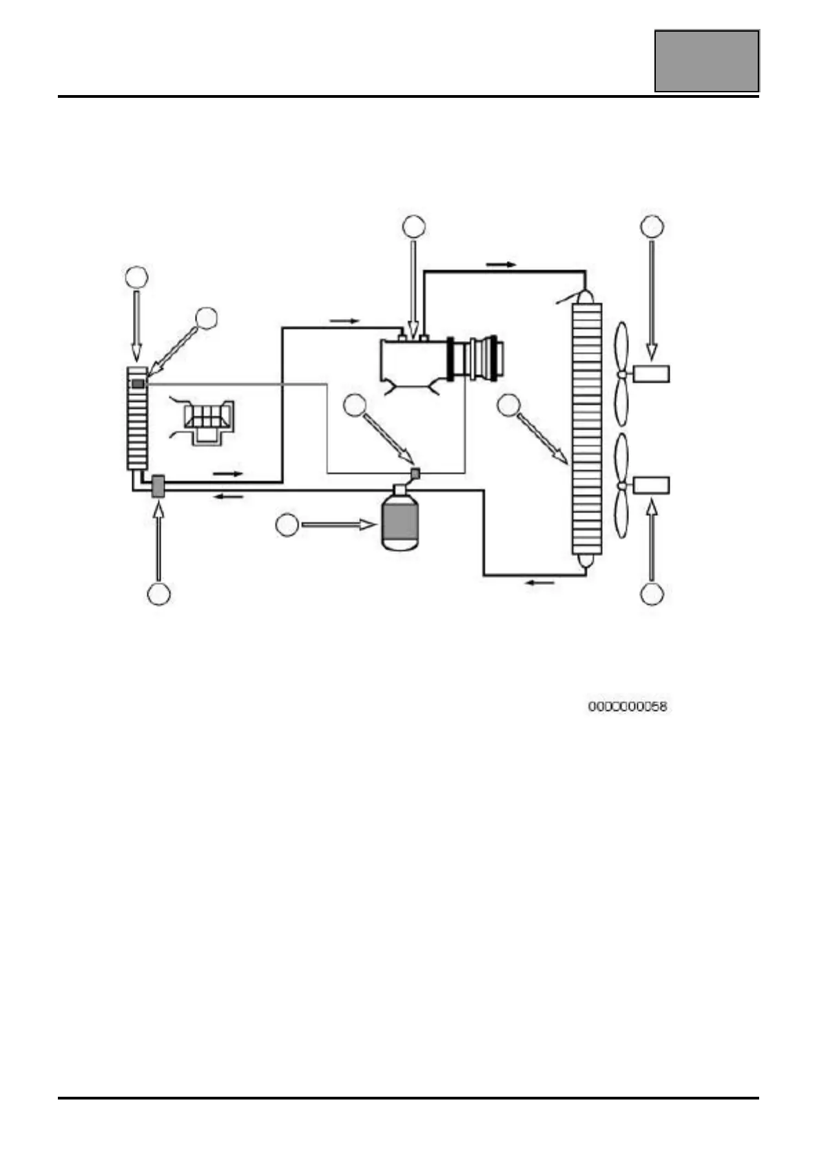
Summary diagram of all the components of the air conditioning system
1) Evaporator
2) Temperature sensor
3) Compressor
4) Condenser
5) Fan assembly
6) Pressure switch
7) Dehydrator reservoir
8) Expansion valve
1
2
8
7
6
3
4
5
5
CLIMATE CONTROL
Fault finding – Operating diagram

Table of Contents

Related product manuals