EasyManua.ls Logo

RFL Electronics RFL 9300 - Figure 5-4. Electrical Connections between RFL 9300 and Current Transformers on Protected Line

RFL Electronics RFL 9300
553 pages
Print Icon
To Next Page IconTo Next Page
To Next Page IconTo Next Page
To Previous Page IconTo Previous Page
To Previous Page IconTo Previous Page
Loading...
3I
O
OTHER RELAYS (IF ANY)
AT START OF CURRENT CHAIN
OTHER RELAYS (IF ANY)
AT END OF CURRENT CHAIN
3IO
(GROUND)
PHASE C
RFL 9300
PHASE A
PHASE B
PHASE B
PHASE C
PROTECTED
TRANSMISSION
LINE
PHASE A
3I
O
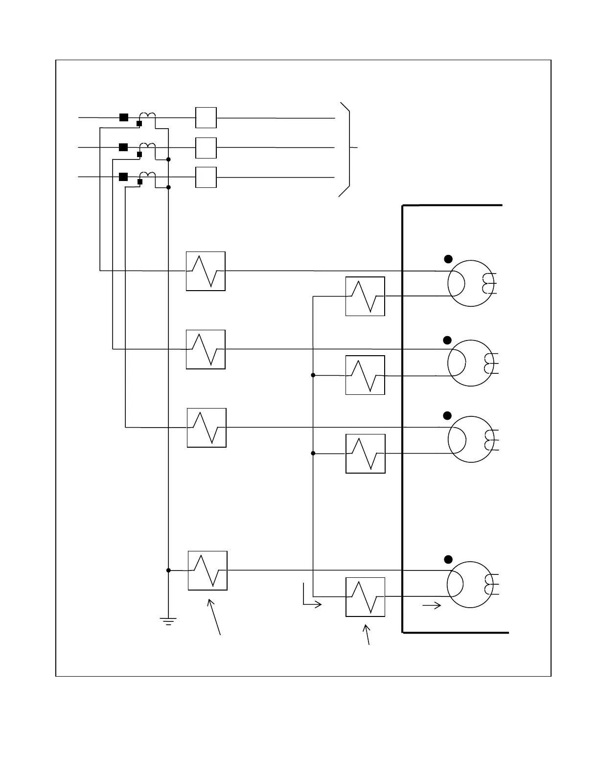
Figure 5-4. Electrical connections between RFL 9300 and current transformers on protected line
RFL 9300 RFL Electronics Inc.
October 20, 2004 5-7 (973) 334-3100

Table of Contents