EasyManua.ls Logo

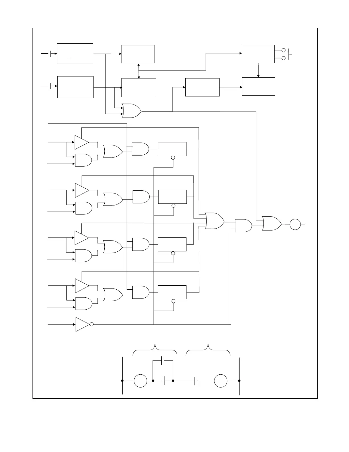
RFL Electronics RFL 9300 - Figure 2-11. Logic Diagram, Trip Seal-In

RFL Electronics RFL 9300
553 pages
Print Icon
To Next Page IconTo Next Page
To Next Page IconTo Next Page
To Previous Page IconTo Previous Page
To Previous Page IconTo Previous Page
Loading...
a. Logic diagram
b. Trip circuit schematic
RESET
SWITCH
RESET
CURRENT
SENSE
ALARM NO. 27
500ms
TIMER
TRIP 2
LED
INDICATOR
TRIP 1
LED
INDICATOR
TRIP 1
CCS CURRENT
>
0.1A DC
(0.5A OPTIONAL)
TRIP 2
CCS CURRENT
>
0.1A DC
(0.5A OPTIONAL)
CS
CS
CS
52
T
52a
CS
CCS
Neg
Pos
RFL 9300 Circuit Breake
r
IA
IB
IC
3I0
ENABLE
PC FAULT
DETECTORS
FAULT CONDITION
DETECTED BY PC
ENABLE
PC FAULT
DETECTORS
FAULT CONDITION
DETECTED BY PC
ENABLE
PC FAULT
DETECTORS
FAULT CONDITION
DETECTED BY PC
ENABLE
PC FAULT
DETECTORS
FAULT CONDITION
DETECTED BY PC
200 ms
R
200 ms
RE-TRIGGERABLE
ONE-SHOT
200 ms
RE-TRIGGERABLE
ONE-SHOT
200 ms
RE-TRIGGERABLE
ONE-SHOT
CCS
BREAKER OPEN
2KHZ SYSTEM CLOC
CLEAR
CLEAR
C
LEAR
CLEAR
Figure 2-11. Logic diagram, trip seal-in
RFL 9300 RFL Electronics Inc.
October 29, 2001 2 - 28 (973) 334-3100

Table of Contents