EasyManua.ls Logo

RFL Electronics RFL 9300 - Figure 2-9. Logic Diagram, Stub-Bus Applications

RFL Electronics RFL 9300
553 pages
Print Icon
To Next Page IconTo Next Page
To Next Page IconTo Next Page
To Previous Page IconTo Previous Page
To Previous Page IconTo Previous Page
Loading...
AND
89B
DISCONNECT
SWITCH OPEN
?
AND
FORCED WCM
Rx
MESSAGES
CCD
UHS
WCM
LWFT
CCT-U
CCD
UHS
WCM
LWFT
CCT-U
RECEIVER
TRANSMITTER
Tx MESSAGES
TO REMOTE
Rx
MESSAGES
FROM
REMOTE
Tx
YES
NO
FORCE
RELAY TO
BACKUP
MODE
OR
OR
AND
OR
MESSAGES
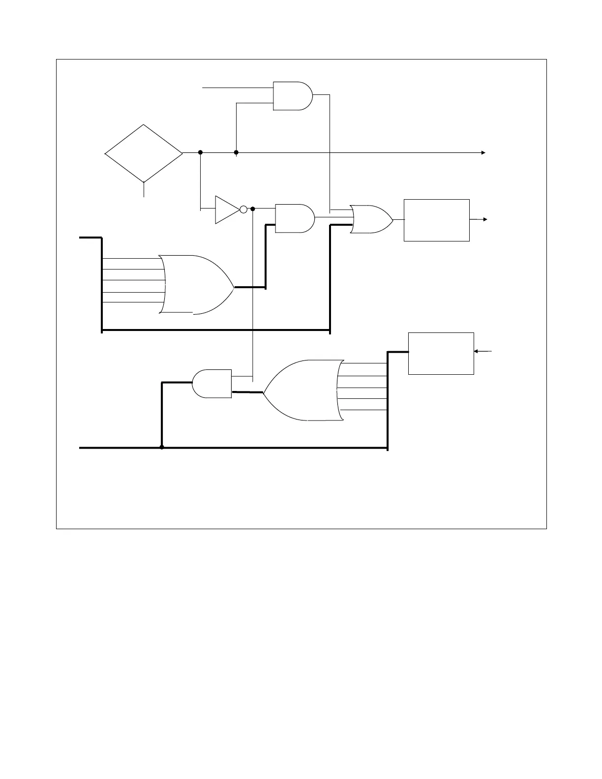
Figure 2-9. Logic diagram, stub-bus applications
RFL 9300 RFL Electronics Inc.
October 29, 2001 2 - 23 (973) 334-3100

Table of Contents