EasyManua.ls Logo

RFL Electronics RFL 9300 - Figure 17-3. Block Diagram, RFL 93 B FT;FR Single Width Fiber Optic Transceiver Module

RFL Electronics RFL 9300
553 pages
Print Icon
To Next Page IconTo Next Page
To Next Page IconTo Next Page
To Previous Page IconTo Previous Page
To Previous Page IconTo Previous Page
Loading...
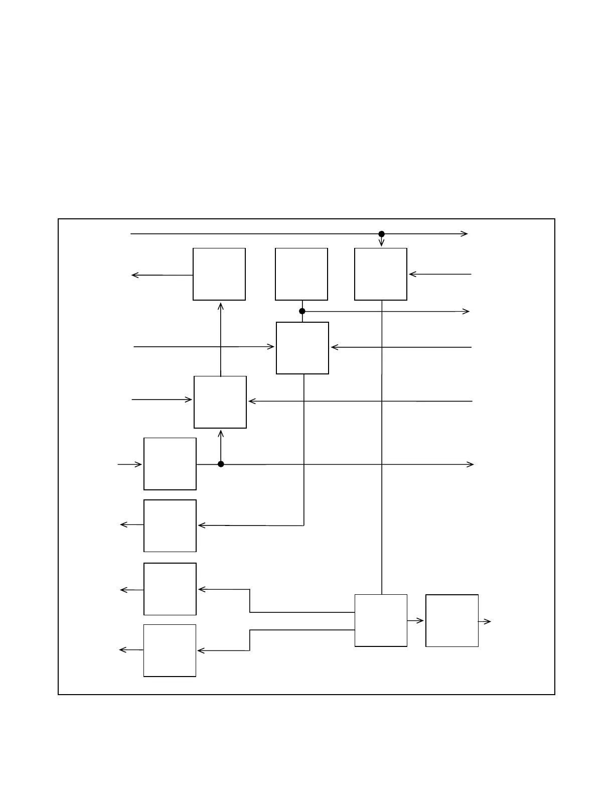
RS-422 TX Data from CC#1 is routed to the primary FT/FR where it is converted to TTL. The TXCONTR signal
is a logic one. This signal is pulled to a logic zero when CC#2 is installed. In hot standby mode CC#2 is not
used. A logic one on TXCONTR steers TX_DATA in the primary FT/FR to the modulator and the primary FT/FR
I/O. TX_DATA is routed via the backplane to the secondary FT/FR where the identical method is used to steer
TX_DATA to the secondary FT/FR I/O. We now have redundant TX_DATA being transmitted over two separate
cables.
On the receive side, when the secondary FT/FR module is installed, a grounded pin on the module will pull the
TEST input on CC#1 low, signaling Hot Standby mode. In this mode the STANDBY control line will become ac-
tive. When the line is low the primary FT/FR is selected and when it is high the secondary FT/FR is selected.
The receive data from the secondary FT/FR is routed to the primary FT/FR via the backplane. The switching of
receive data, primary or secondary, is done on the primary FT/FR. Refer to the Fiber Optic signal routing block
diagram.
FROM FIBER
I/O MODULE
TO FIBER
I/O MODULE
RXD_OUT
A21
RXD_IN
C21
TXCLKOUT
A18
TXCLH_IN
C18
TXD_IN
A22
XTX_ DATA
C22
RX CARRIER
ALARM
C29
STANDBY
A15
TXCONTR
C15
TX_DATA
(RS422)
TX_CLK
(RS422)
RX_DATA
(RS422)
RX_CLK
(RS422)
LINE
RECEIVER
LINE
DRIVER
LINE
DRIVER
LINE
DRIVER
ACTEL
DEMOD-
ULATOR
OUT OF
LOCK
DETECTOR
ACTEL
MODU-
LATOR
LOCAL
TX CLOCK
RX DATA,
DATA
SELECTOR
(P/O ACTEL)
TX CLOCK,
DATA
SELECTOR
(P/O ACTEL)
TX DATA,
DATA
SELECTOR
(P/O ACTEL)
Figure 17-3. Block diagram, RFL 93B FT/FR single width fiber optic transceiver module
RFL 9300 RFL Electronics Inc.
May 1, 1998 17 - 7 (973) 334-3100

Table of Contents