EasyManua.ls Logo

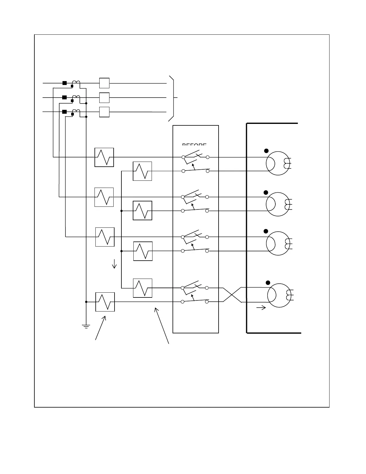
RFL Electronics RFL 9300 - Figure 5-5. Electrical Connections between RFL 9300 with Optional Test Switch Chassis and Current Transformers on Protected Line

RFL Electronics RFL 9300
553 pages
Print Icon
To Next Page IconTo Next Page
To Next Page IconTo Next Page
To Previous Page IconTo Previous Page
To Previous Page IconTo Previous Page
Loading...
Figure 5-5. Electrical connections between RFL 9300 with optional test switch chassis and current transformers on
protected line
PHASE B
PHASE C
3IO
(GROUND)
OTHER RELAYS (IF ANY)
AT START OF CURRENT CHAIN
3I
O
PHASE
A
PHASE
B
PHASE
C
PROTECTED
TRANSMISSION
LINE
OTHER RELAYS (IF ANY)
AT END OF CURRENT CHAIN
RFL 9300
PHASE A
3I
O
TB2-8 6 5 TB1-8 TB7-1
TB2-9 4 3 TB1-9 TB7-2
TB2-6 10 9 TB1-6 TB6-1
TB2-7 8 7 TB1-7 TB6-2
TB2-4 14 13 TB1-4 TB5-1
TB2-5 12 11 TB1-5 TB5-2
TB2-2 18 17 TB1-2 TB4-1
TB2-3 16 15 TB4-2
TB1-3
FT-1C
(MAKE-
BEFORE
RFL 9300 RFL Electronics Inc.
October 20, 2004 5-8 (973) 334-3100

Table of Contents