EasyManua.ls Logo

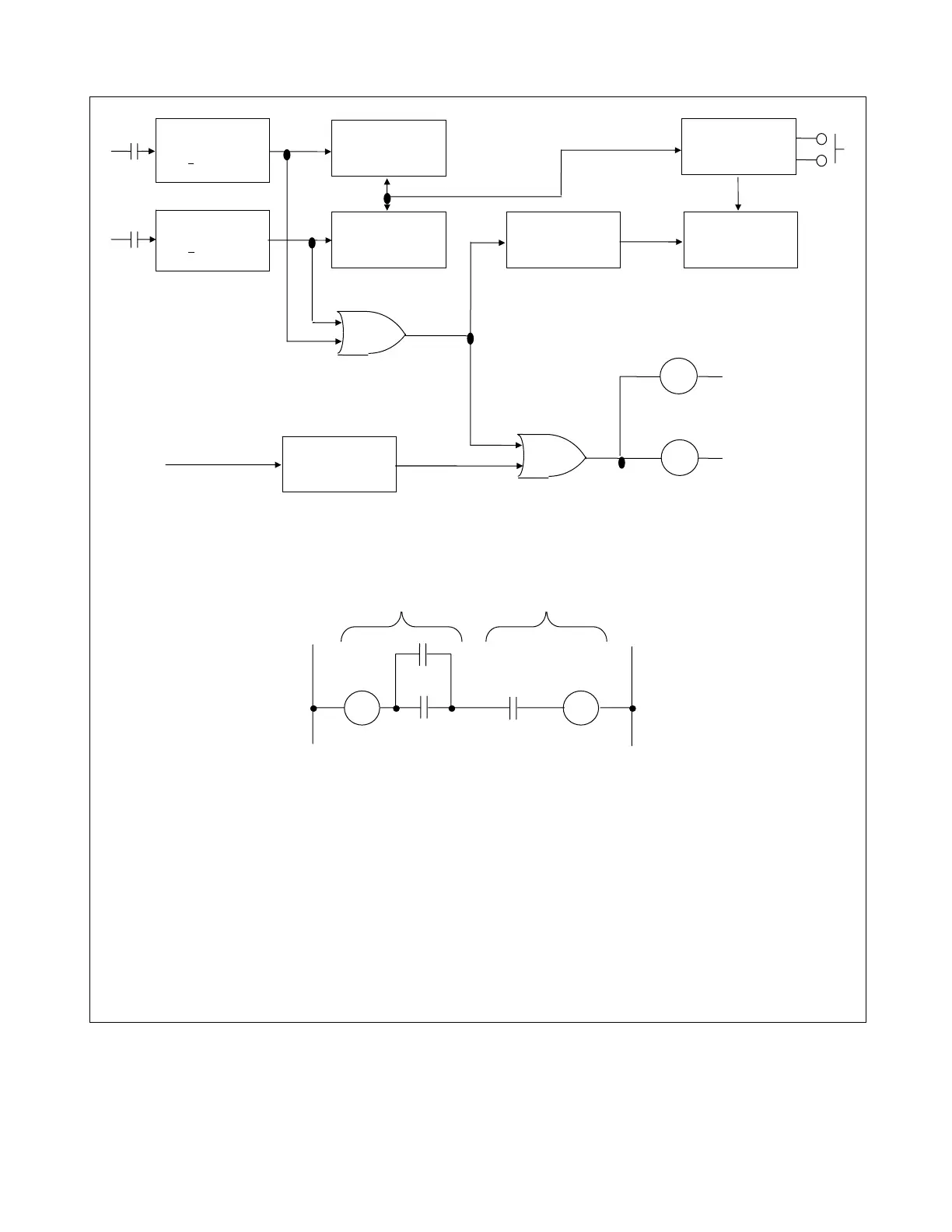
RFL Electronics RFL 9300 - Figure 2-12. Logic Diagram, DTT Trip Seal-In

RFL Electronics RFL 9300
553 pages
Print Icon
To Next Page IconTo Next Page
To Next Page IconTo Next Page
To Previous Page IconTo Previous Page
To Previous Page IconTo Previous Page
Loading...
a. Logic diagram
b. Trip circuit schematic
RESET
SWITCH
RESET
CURRENT
SENSE
ALARM NO. 24
500ms
TIMER
OR
TRIP 2
LED
INDICATOR
TRIP 1
LED
INDICATOR
DTT-1
CURRENT
>
0.1A DC
(0.5A OPTIONAL)
DTT-2
CURRENT
>
0.1A DC
(0.5A OPTIONAL)
DTT-1
DTT-2
RECEIVED DTT
100 ms
RETRIGGERABLE
TIMER
DTT-2
DTT-1
OR
CS
(DTT)
86
T
86a
CS
(DTT)
DTT
Neg
Pos
RFL 9300 Lockout Rela
y
Figure 2-12. Logic diagram, DTT trip seal-in
RFL 9300 RFL Electronics Inc.
October 29, 2001 2 - 29 (973) 334-3100

Table of Contents