EasyManua.ls Logo

RFL Electronics RFL 9300 - Figure 5-6. Overview of a Typical 9300 Two-Terminal Installation; Figure 5-7. Overview of a Typical RFL 9300 Three-Terminal Installation

RFL Electronics RFL 9300
553 pages
Print Icon
To Next Page IconTo Next Page
To Next Page IconTo Next Page
To Previous Page IconTo Previous Page
To Previous Page IconTo Previous Page
Loading...
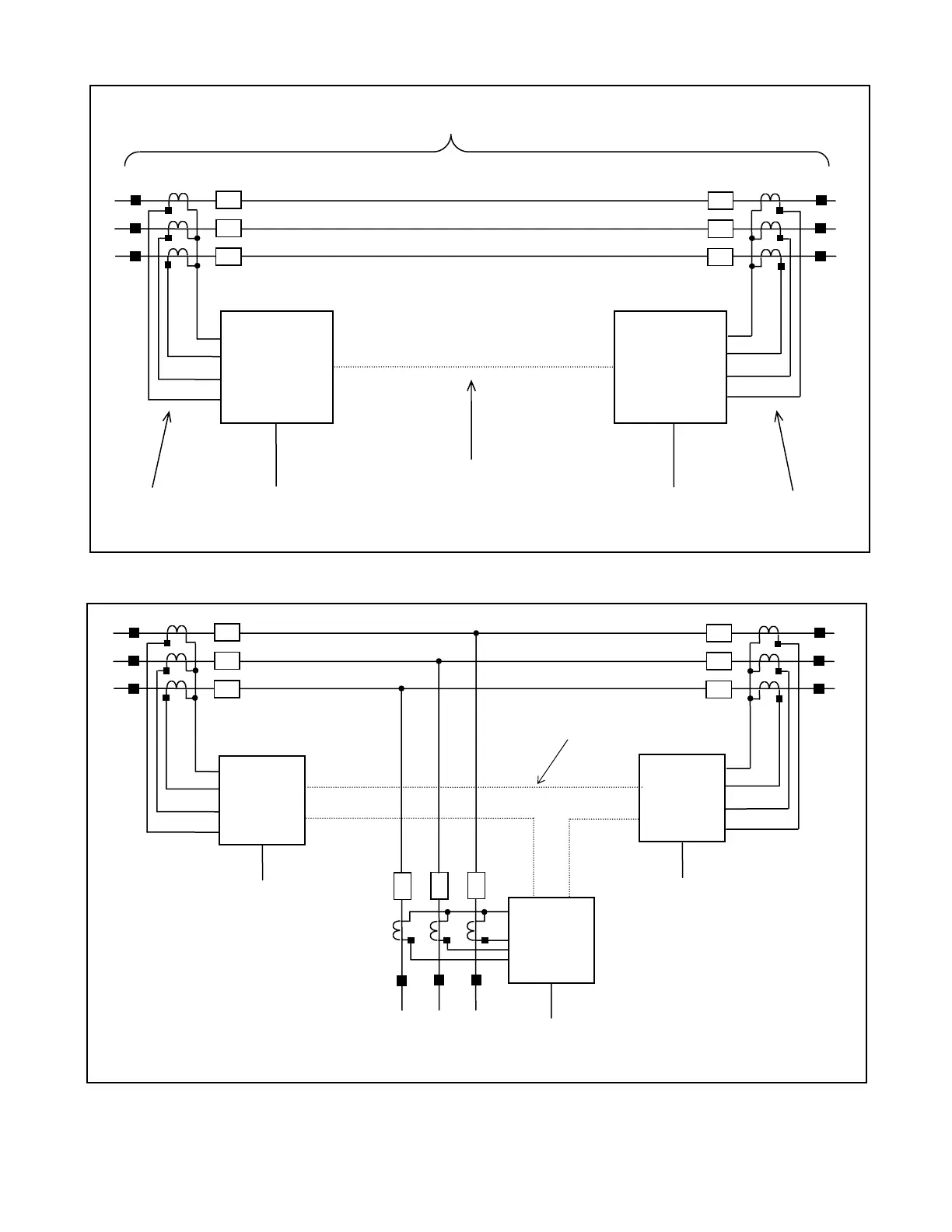
Figure 5-6. Overview of a typical 9300 two-terminal installation
PHASE A
PHASE B
PHASE C
PROTECTED LINE
POWER LINE
CONNECTIONS
IRIG-B
CONNECTION
COMMUNICATIONS
CONNECTIONS
(MODEM, FIBER OPTIC
OR DIRECT DIGITAL)
IRIG-B
CONNECTION
POWER LINE
CONNECTIONS
LOCAL
RFL 9300
REMOTE
RFL 9300
REMOTE 2
REMOTE
LOCAL
IRIG-B
IRIG-B
IRIG-B
COMMUNICATIONS
CONNECTIONS
PHASE A
PHASE B
PHASE C
Figure 5-7. Overview of a typical RFL 9300 three-terminal installation
RFL 9300 RFL Electronics Inc.
October 20, 2004 5-9 (973) 334-3100

Table of Contents