EasyManua.ls Logo

RFL Electronics RFL 9300 - Page 41

RFL Electronics RFL 9300
553 pages
Print Icon
To Next Page IconTo Next Page
To Next Page IconTo Next Page
To Previous Page IconTo Previous Page
To Previous Page IconTo Previous Page
Loading...
PHASE B
PHASE
CONTROLLER
PHASE C
PHASE
CONTROLLER
SUPERVISOR
CONTROLLER
COMMUNICATIONS
CONTROLLER
#1
ALARM I/O
MODULE
FROM
PHASE B CT
FROM
PHASE B CT
RELAY
CONTROL
/3
DTT IN
SPARE
INPUT
LOCAL ALARM
RELAY
COMM. ALARM
RELAY
RECLOSE BLOC
K
RS-485 /2
DTT IN
89B
INPUT
SUP EN /4
ALARM /4
TRIP
STATUS
SUP EN /3
ALARM /4
SUP EN /2
ALARM /4
LOCAL/REMOTE
SERIAL LINK
COMMUNICATIONS
MODULES
(56 OR 64-Kbps DIRECT DIGITAL,
56 OR 64-Kbps FIBER OPTIC, OR
7.2-Kb
p
s MODEM
)
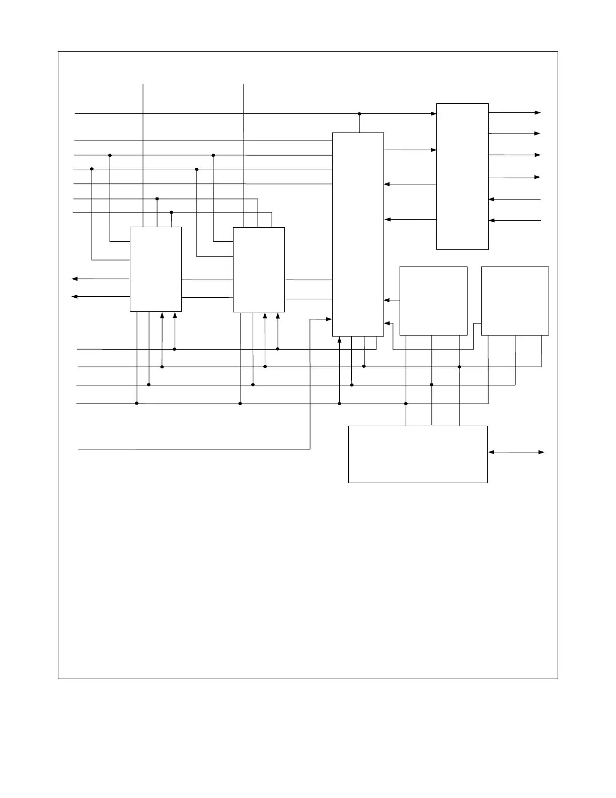
NOTE: MULTI-LINE CONNECTIONS ARE INDICATED BY A SLASH FOLLOWED BY A NUMBER FOLLOWING THE SIGNAL NAME.
FOR EXAMPLE, “ /4 “ INDICATES A FOUR LINE CONNECTION.
COMMUNICATIONS
CONTROLLER
#2
Figure 2-1. Block diagram, RFL 9300 Charge Comparison System (two-terminal) - continued
RFL 9300 RFL Electronics Inc.
October 29, 2001 2 - 3 (973) 334-3100

Table of Contents