EasyManua.ls Logo

Hioki IM3570 - Internal Circuitry; Connection Examples

Hioki IM3570
458 pages
Print Icon
To Next Page IconTo Next Page
To Next Page IconTo Next Page
To Previous Page IconTo Previous Page
To Previous Page IconTo Previous Page
Loading...
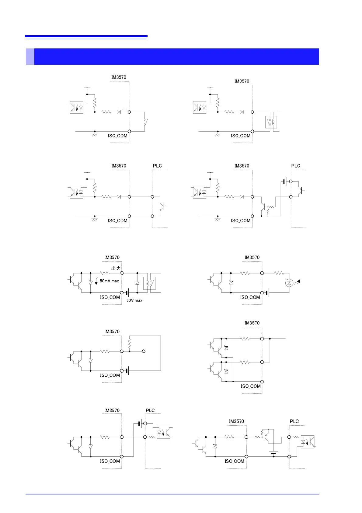
11.3 Internal Circuitry
378
Connection Examples
Input Circuit
Connection
Examples
Output Circuit
Connection
Examples
Input
Input
Input
Input
Switch Connections
Relay Connections
PLC Output (Source Output) Connections
PLC Output (Sink Output) Connections
Output
Common
Common
Output
Output
Output
Output
Output
Output
Output Output
Input
Input
Common
Common
Relay Connections
LED Connection
Active-Low Logic Output
Wired OR
PLC Input (Source Input) Connections
PLC Input (Sink Input) Connections
Active-Low
Logic Output

Table of Contents

Other manuals for Hioki IM3570

Related product manuals