EasyManua.ls Logo

RFL Electronics RFL 9300 - Page 25

RFL Electronics RFL 9300
553 pages
Print Icon
To Next Page IconTo Next Page
To Next Page IconTo Next Page
To Previous Page IconTo Previous Page
To Previous Page IconTo Previous Page
Loading...
RFL Electronics Inc. June 10, 2002
RFL 9300DCDR
3
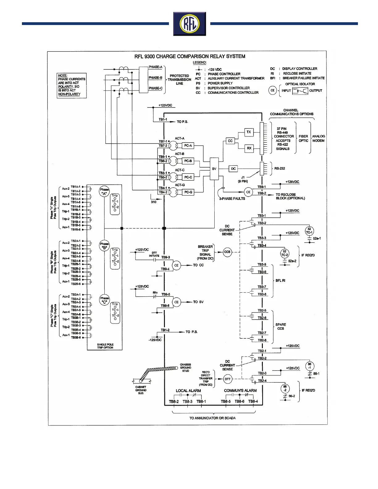
Figure 3. Block diagram, typical (3-pole) RFL 9300 equipped with modem

Table of Contents