EasyManua.ls Logo

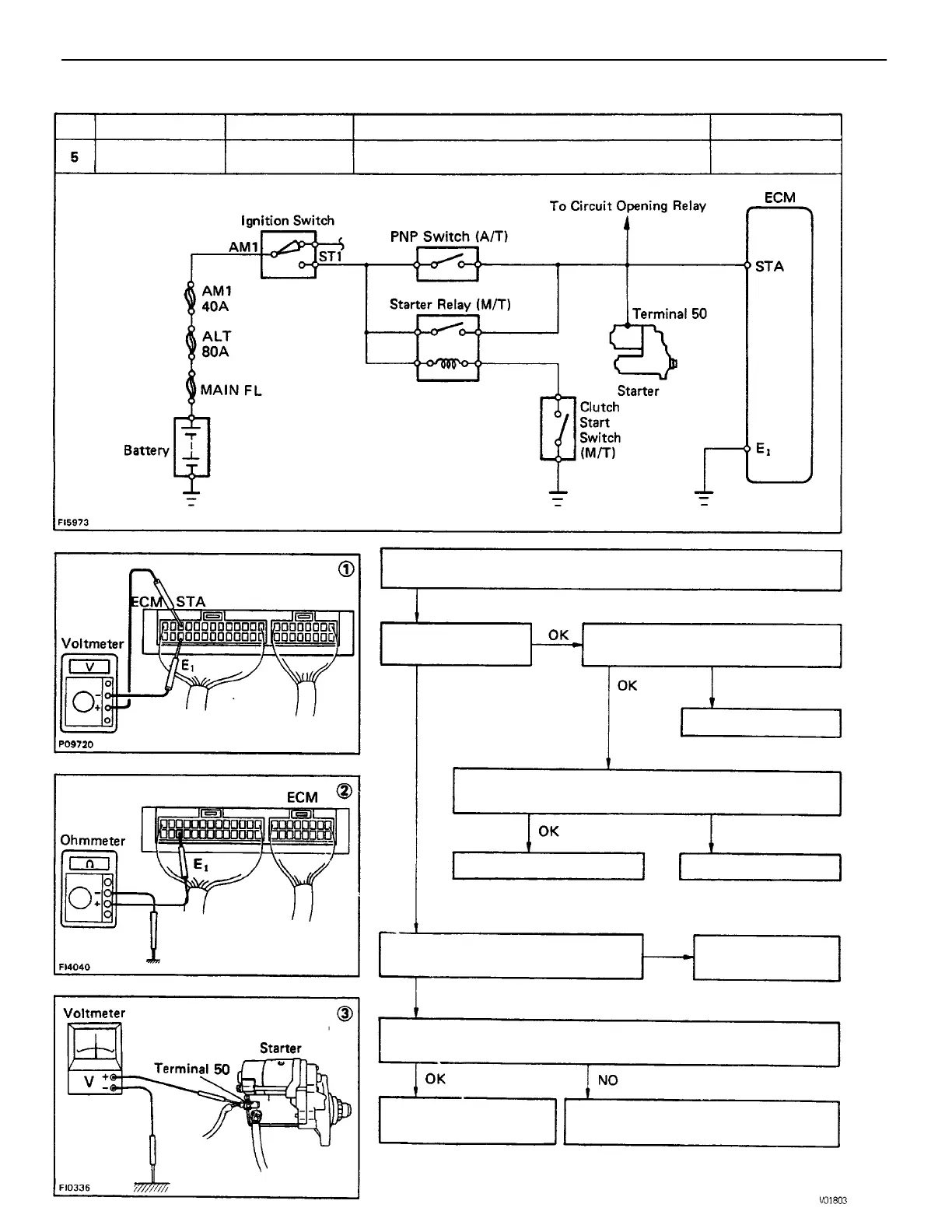
Toyota 22R-E - There Is no Voltage between ECM Terminals STA and E1 (IG SW START)

Toyota 22R-E
625 pages
Print Icon
To Next Page IconTo Next Page
To Next Page IconTo Next Page
To Previous Page IconTo Previous Page
To Previous Page IconTo Previous Page
Loading...
(1) There is no voltage between ECM terminals STA and E1
(IG SW START)
Check fusible link, battery, wiring
and ignition switch.
(3) Check that there is voltage at terminal 50 of starter.
(IG SW START) STD Voltage: 6 –12 V
(2) Check wiring between ECM terminal E1 an body
ground.
Check wiring between ignition switch
ST1 terminal and starter terminal 50.
Check wiring between ECM and
ignition switch terminal ST.
Ignition switch START position
Check starter.
(See ST section)
Check starter
operation.
Repair or replace.
Try another ECM.
Repair or replace.
Repair or replace.
STD Voltage
STA – E 1
Condition
No voltage
Terminals
6 –12v
Trouble
BAD
BAD
BAD
BAD
No.
OK
ENGINE MFI SYSTEM
EG1–132

Table of Contents

Related product manuals