EasyManua.ls Logo

Toyota 22R-E - EFI Main Relay Inspection; Inspect Relay Continuity; Inspect Relay Operation

Toyota 22R-E
625 pages
Print Icon
To Next Page IconTo Next Page
To Next Page IconTo Next Page
To Previous Page IconTo Previous Page
To Previous Page IconTo Previous Page
Loading...
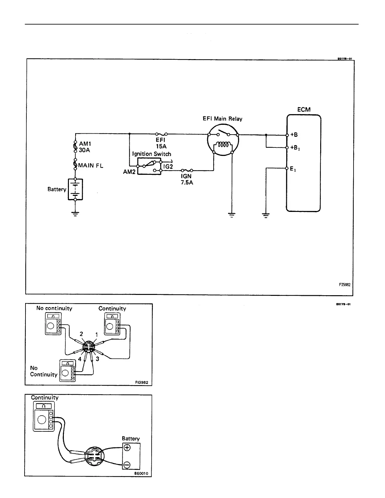
EFI MAIN RELAY INSPECTION
1. INSPECT RELAY CONTINUITY
(a) Using an ohmmeter, check that there is continuity
between terminals 1 and 3.
(b) Check that there is no continuity between terminals 2
and 4.
(c) Check that there is no continuity between terminals 3
and 4.
If operation is not as specified, replace the relay.
2. INSPECT RELAY OPERATION
(a) Apply battery voltage across terminals 1 and 3.
(b) Using an ohmmeter, check that there is continuity
between terminals 2 and 4.
If operation is not as specified, replace the relay.
EFI MAIN RELAY
ENGINE MFI SYSTEM
EG1–206

Table of Contents

Related product manuals