EasyManua.ls Logo

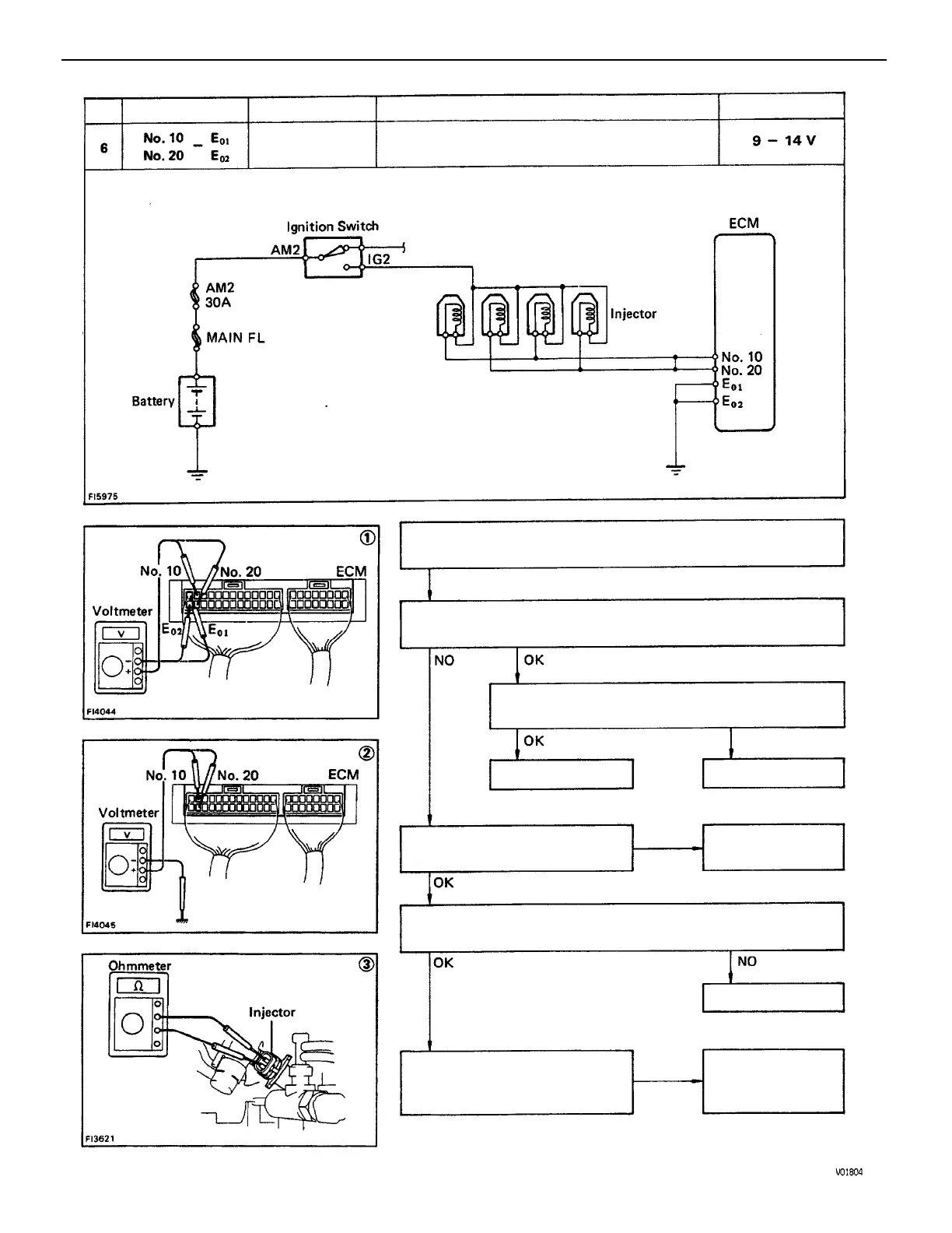
Toyota 22R-E - There Is no Voltage between ECM Terminals No. 10 And;Or No. 20 and E01, And;Or E02 (IG SW ON)

Toyota 22R-E
625 pages
Print Icon
To Next Page IconTo Next Page
To Next Page IconTo Next Page
To Previous Page IconTo Previous Page
To Previous Page IconTo Previous Page
Loading...
(2) Check that there is voltage between ECM terminal No. 10 and/or
No. 20 and body ground.
(1)There is no voltage between ECM terminals No. 10 and/or
No. 20 and E01, and/or E02. (IG SW ON)
Check wiring between ECM terminal E01, and/or E02
and body ground.
(3) Check resistance of magnetic coil in each injector
STD resistance: 13.4 – 14.2
Check wiring between ECM
terminal No. 10 and/or
No. 20 and battery.
Check fusible link and ignition
switch.
Ignition switch ON
Try another ECM.
Repair or replace.
Repair or replace.
Repair or replace.
Replace injector.
.No voltage
STD Voltage
Terminals
Condition
Trouble
BAD
BAD
BAD
No.
ENGINE MFI SYSTEM
EG1–133

Table of Contents

Related product manuals