EasyManua.ls Logo

Toyota 22R-E - Page 474

Toyota 22R-E
625 pages
Print Icon
To Next Page IconTo Next Page
To Next Page IconTo Next Page
To Previous Page IconTo Previous Page
To Previous Page IconTo Previous Page
Loading...
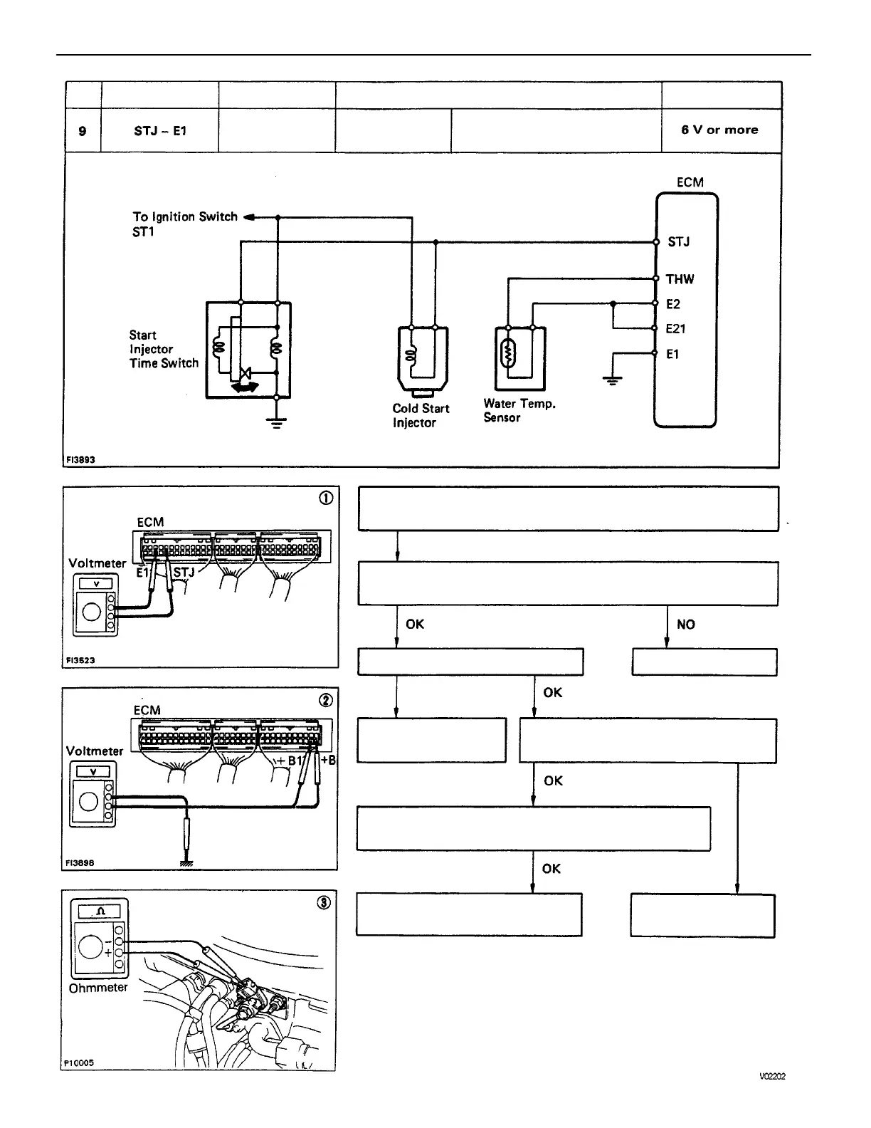
(2) Check that there is voltage between ECM terminal + B (+ B1 ) and
body ground. (IG SW ON)
(1) There is no voltage between ECM terminals STJ and E1.
(IG SW START)
Check wiring between ECM terminal E1 and body ground.
Check wiring between ECM and
cold start injector.
Engine coolant temperature
80° (176° F)
(3) Check cold start injector.
Replace cold start
injector.
Repair or replace
wiring.
Try another ECM.
Refer to No. 1.
STD Voltage
No voltage
Cranking
Terminals Condition
Trouble
BAD
BAD
No.
ENGINE MFI SYSTEM
EG2–197

Table of Contents

Related product manuals