EasyManua.ls Logo

Emotron VS10 - 3-Phase Mains Connection 480 V; Connection Plan

Emotron VS10
528 pages
Print Icon
To Next Page IconTo Next Page
To Next Page IconTo Next Page
To Previous Page IconTo Previous Page
To Previous Page IconTo Previous Page
Loading...
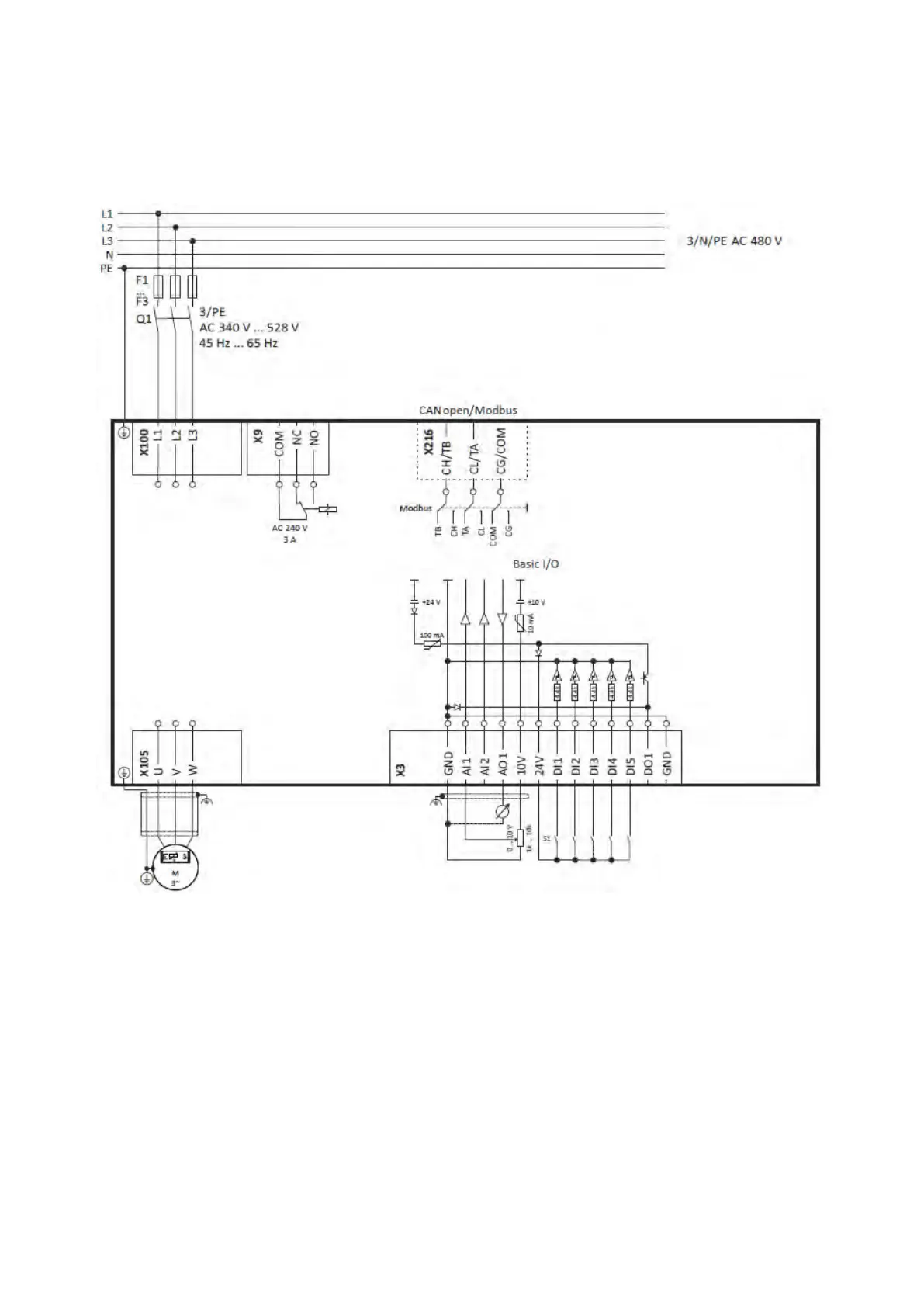
3.2.4. 3-phase mains connection 480 V
3.2.4.1. Connection plan
The wiring diagram is valid for Emotron VS30 inverters.
Fig. 4: Wiring example
S1 Run/Stop
Fx Fuses
Q1 Mains contactor
--Dashed line = options

Table of Contents

Other manuals for Emotron VS10

Related product manuals