EasyManua.ls Logo

Emotron VS10 - 1;3-Phase Mains Connection 230;240 V; Connection Plan

Emotron VS10
528 pages
Print Icon
To Next Page IconTo Next Page
To Next Page IconTo Next Page
To Previous Page IconTo Previous Page
To Previous Page IconTo Previous Page
Loading...
20 01-6203-01R3, CG Drives & Automation
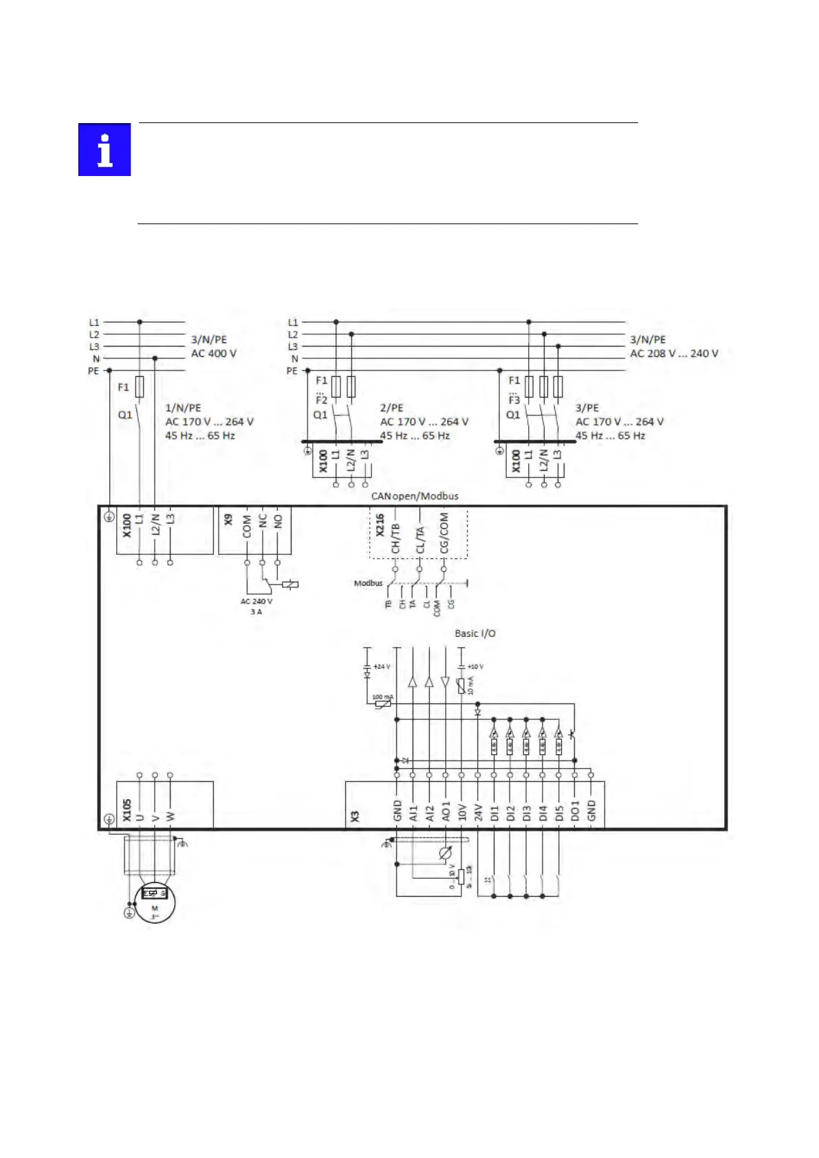
3.2.2. 1/3-phase mains connection 230/240 V
Emotron VS30-23 inverters do not have an integrated EMC filter in the AC mains
supply.
In order to comply with the EMC requirements according to EN 61800−3, an external
EMC filter according to IEC EN 60939 has to be used.
The user must prove that the EN 61800−3 requirements for conformity are fulfilled.
3.2.2.1. Connection plan
The wiring diagram is valid for Emotron VS30 inverters.
Fig. 2: Wiring example
S1 Run/Stop
Fx Fuses
Q1 Mains contactor
--Dashed line = options

Table of Contents

Other manuals for Emotron VS10

Related product manuals