EasyManua.ls Logo

Toyota 22R-E - Page 203

Toyota 22R-E
625 pages
Print Icon
To Next Page IconTo Next Page
To Next Page IconTo Next Page
To Previous Page IconTo Previous Page
To Previous Page IconTo Previous Page
Loading...
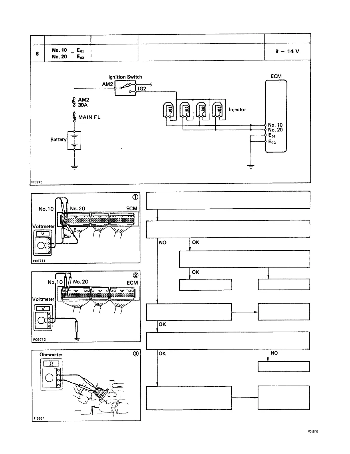
(1) There is no voltage between ECM terminals No. 10 and/or
No. 20 and E01, and/or E02– (IG SW ON)
(2) Check that there is voltage between ECM terminal No. 10
a and/or No. 20 and body ground.
Check wiring between ECM terminal E01, and/or E02
and body ground.
(3) Check resistance of magnetic coil in each injector
STD resistance: 13.4 – 14.2
Check wiring between ECM
terminal No. 10 and/or
No. 20 and battery.
Check fusible link and ignition
switch.
Ignition switch ON
Try another ECM.
Repair or replace.
Repair or replace.
Repair or replace.
Replace injector.
STD Voltage
No voltage
Terminals
Condition
Trouble
BAD
BAD
BAD
No.
ENGINE MFI SYSTEM
EG1–169

Table of Contents