EasyManua.ls Logo

Toyota 22R-E - Page 204

Toyota 22R-E
625 pages
Print Icon
To Next Page IconTo Next Page
To Next Page IconTo Next Page
To Previous Page IconTo Previous Page
To Previous Page IconTo Previous Page
Loading...
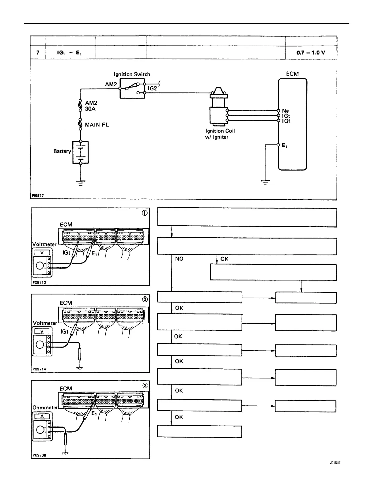
(2) Check that there is voltage between ECM terminal IGt and
body ground. (Idling)
(1) There is no voltage between ECM terminals IGt and E1.
(Idling)
(3) Check wiring between ECM terminal E1
and body ground.
Check wiring between ECM
and igniter.
Check wiring between igniter
and distributor.
Try another ECM.
Repair or replace.
Repair or replace.
Repair or replace.
Repair or replace.
Check distributor.
Refer to No. 1.
Check igniter.
STD Voltage
No voltage
Terminals
Condition
Replace.
Trouble
Idling
. BAD
BAD
BAD
BAD
BAD
BAD
No.
ENGINE MFI SYSTEM
EG1–170

Table of Contents

Related product manuals