EasyManua.ls Logo

Fuji Xerox Phaser 5500 - Lvps

Fuji Xerox Phaser 5500
623 pages
Print Icon
To Next Page IconTo Next Page
To Next Page IconTo Next Page
To Previous Page IconTo Previous Page
To Previous Page IconTo Previous Page
Loading...
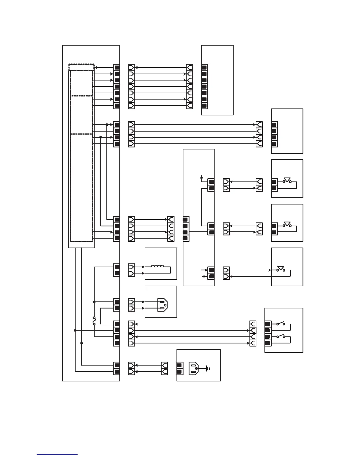
Wiring Diagrams 10-21
LVPS
Engine
Logic Board
LVPS
Exit PWB
I/P Board
Power Switch
Front Door
Interlock Switch
Door A
Interlock Switch
Drum Cartridge
Detect Switch
Choke Coil
Outlet MN
P/J405
2
P/J120
B1
A1
+24VDC
1
P/J405
4
P/J121
B1
A13
I/L +24VDC
P/J404
1
3
LD +5VDC
+3.3VDC
Supply
1
2
6
7
3
8
P/J521
5
1
2
6
7
4
9
P/J300
12
Main Power On
+3.3VDC
+3.3VDC
SG
SG
SG
+5VDC
1
3
4
P/J526
2
5
7
8
P/J526
6
4
2
1
P/J430
3
SG
+5VDC
+24VDC
RTN
4
2
1
P/J400
3
+24VDC
RTN
SG
+5VDC
ON/OFF
+5VDC
Supply
+24VDC
Supply
6
3
4
P/J1
1
1
4
3
2
HOT
NUT
5
P/J2
1
2
P/J5
1
Breaker GFI INL
P/J50
1
2
T11
1
T12
1
HOT
NUT
Interlock
+24VDC
From
XERO
To
ROS
s5500-220

Table of Contents

Related product manuals