EasyManua.ls Logo

HAIMA 7 - Page 201

HAIMA 7
654 pages
Print Icon
To Next Page IconTo Next Page
To Next Page IconTo Next Page
To Previous Page IconTo Previous Page
To Previous Page IconTo Previous Page
Loading...
General Precautions of EFI System Maintenance
F-65
80. P0507 Idling Control Rotational Speed Lower than Target Idling Speed
Description about Malfunction Cause:
The idling rotational speed of electronic throttle is actuated by ECU control DC motor and achieved through
throttle opening controlled by drive mechanism. If ECU commands the idling speed equals to target value, but
the actual engine speed is still higher than the target idling speed by certain value, it is then determined to be
the malfunction of large opening jam.
Malfunction Diagnostic Guide:
Required Equipment: (Diagnostic Instrument with EOBD Diagnostic Function)
Step I: Use diagnostic instrument to read the malfunction information
Read Result I Read Result II
MIL Lamp On P-CODE Present MIL Lamp Off P-CODE Present
P0507
P0507
Maintenance tips:
The malfunction has been confirmed, and the
following problems may possibly exist
1) Deviation in processing size for throttle body
2) Inside of throttle body too dirty
3) Stepping motor failed
Maintenance tips:
The malfunction has not been finally confirmed, and
it is possibly a random malfunction.
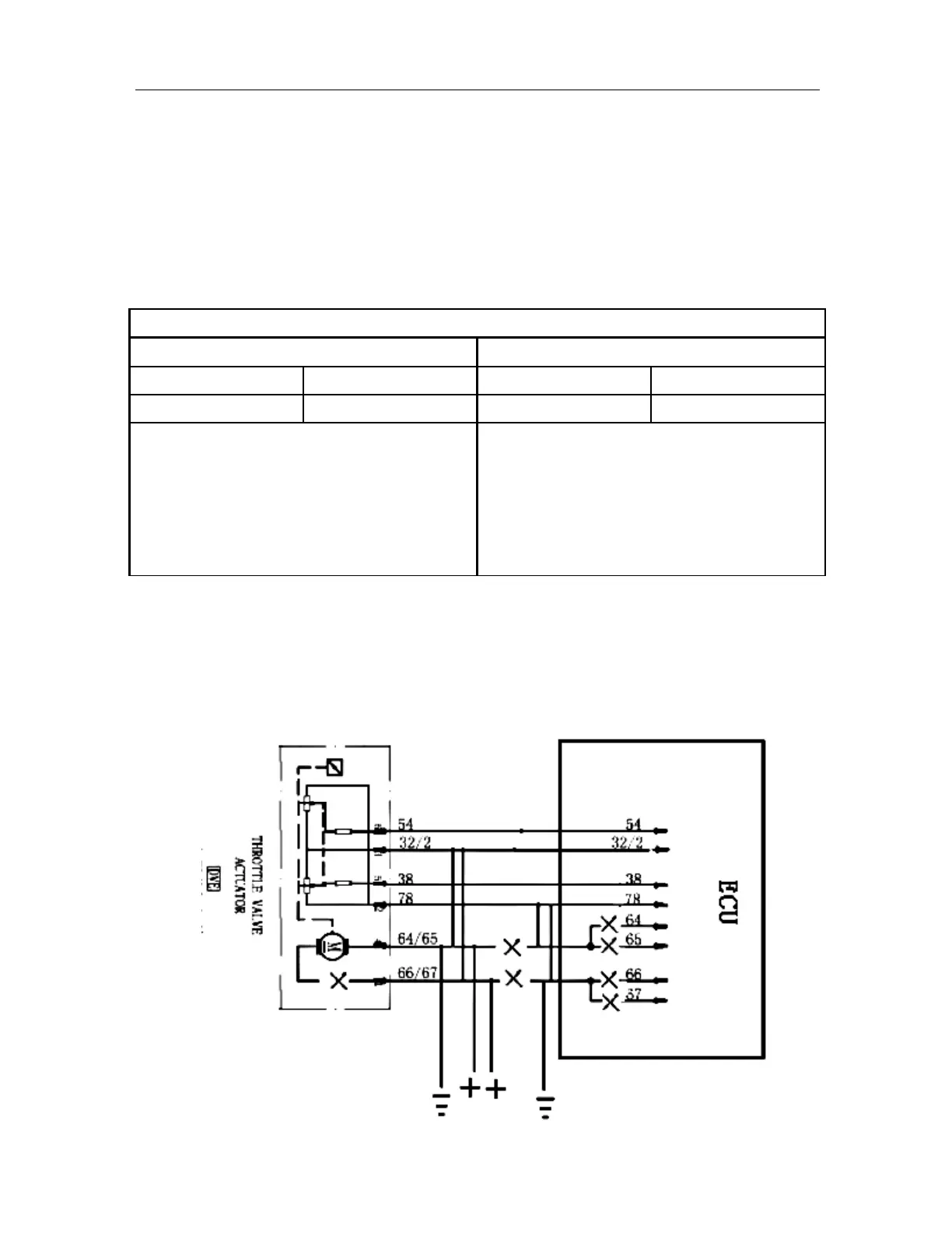
81. P0508 Stepping Motor Drive Pin Short to Ground (Refer to the figure below)
P0509 Drive Pin of Stepping Motor Short to Power Supply (Refer to the figure below)
P0511 Open Circuit Connected with Stepping Motor Drive Pin (Refer to the figure
below)

Table of Contents

Related product manuals