EasyManua.ls Logo

HAIMA 7 - Page 553

HAIMA 7
654 pages
Print Icon
To Next Page IconTo Next Page
To Next Page IconTo Next Page
To Previous Page IconTo Previous Page
To Previous Page IconTo Previous Page
Loading...
14
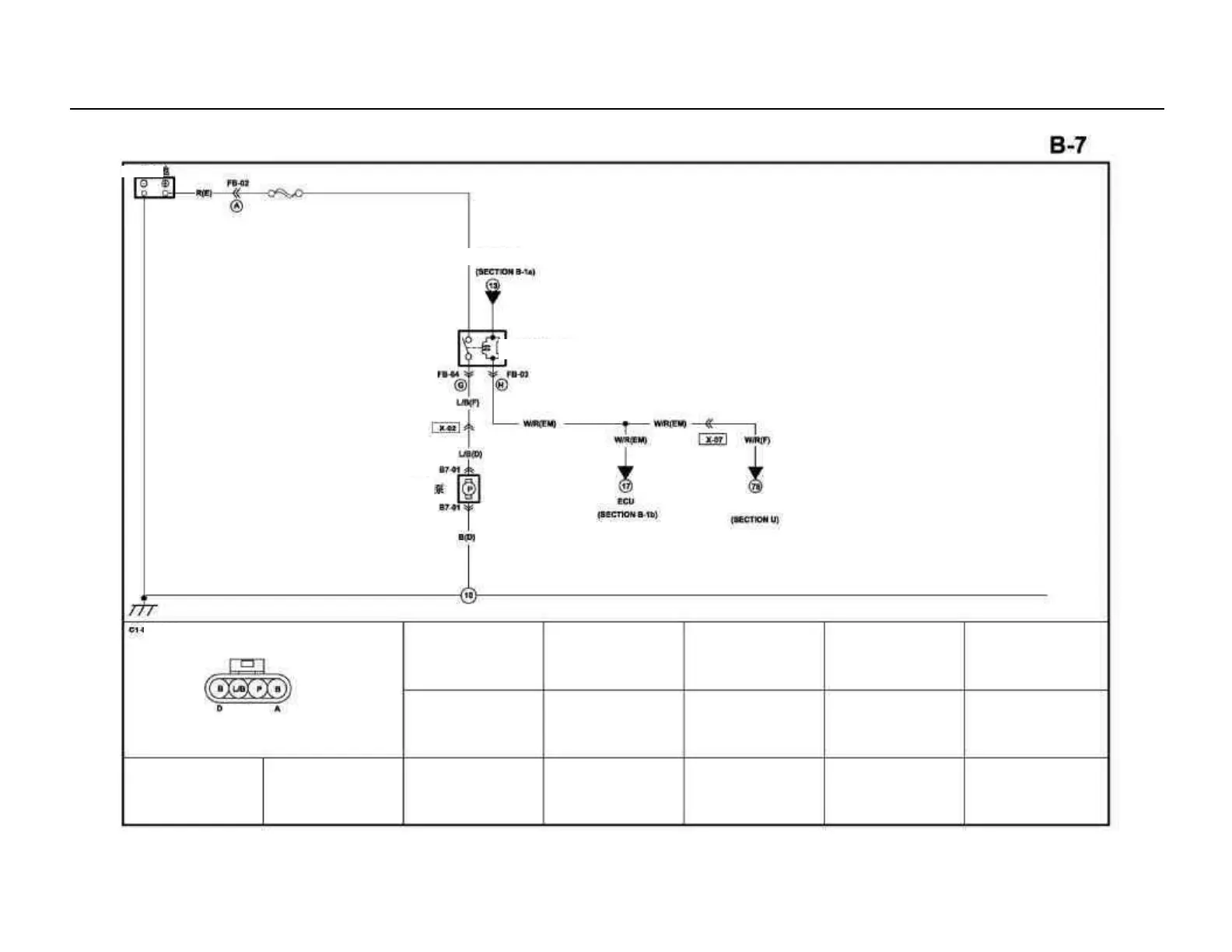
Fuel control system
Main relay
Fuel pump relay
Oil pump 20A
Battery
Fuel pump
Diagnostic interface
Fuel pump (d)

Table of Contents

Related product manuals