EasyManua.ls Logo

HAIMA 7 - Page 567

HAIMA 7
654 pages
Print Icon
To Next Page IconTo Next Page
To Next Page IconTo Next Page
To Previous Page IconTo Previous Page
To Previous Page IconTo Previous Page
Loading...
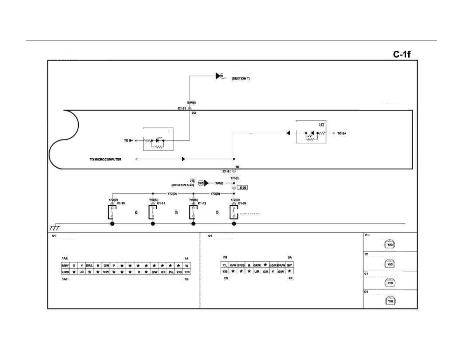
28
Combination
instrument
Combination instrument
Anti-theft control unit
Anti-theft
warning lamp
Central control unit of remote control
Door unclosed
indicator
Combination instrument (I)
Combination instrument (I)
Right rear door switch (D)
Right front door switch (D)
Left rear door switch (D)
Left front door switch (D)
Left rear door switch
Left front
door switch
Right front
door switch
Right rear
door switch

Table of Contents

Related product manuals