EasyManua.ls Logo

HAIMA 7 - Page 575

HAIMA 7
654 pages
Print Icon
To Next Page IconTo Next Page
To Next Page IconTo Next Page
To Previous Page IconTo Previous Page
To Previous Page IconTo Previous Page
Loading...
36
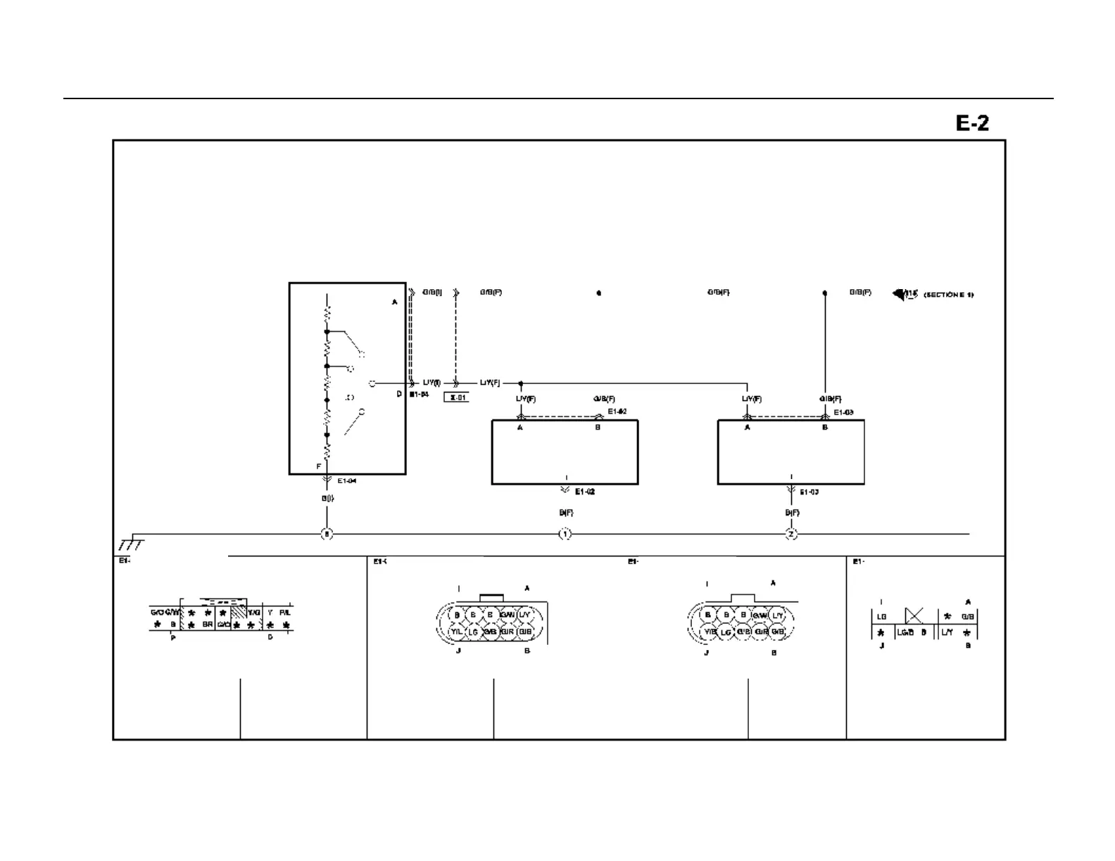
Headlight adjusting system
Headlight adjusting switch
Headlight relay
Left headlight actuator Right headlight actuator
Headlight switch (D)
Left headlight (F)
Right headlight (F)
Headlight adjusting switch (I)

Table of Contents

Related product manuals