EasyManua.ls Logo

HAIMA 7 - Page 577

HAIMA 7
654 pages
Print Icon
To Next Page IconTo Next Page
To Next Page IconTo Next Page
To Previous Page IconTo Previous Page
To Previous Page IconTo Previous Page
Loading...
38
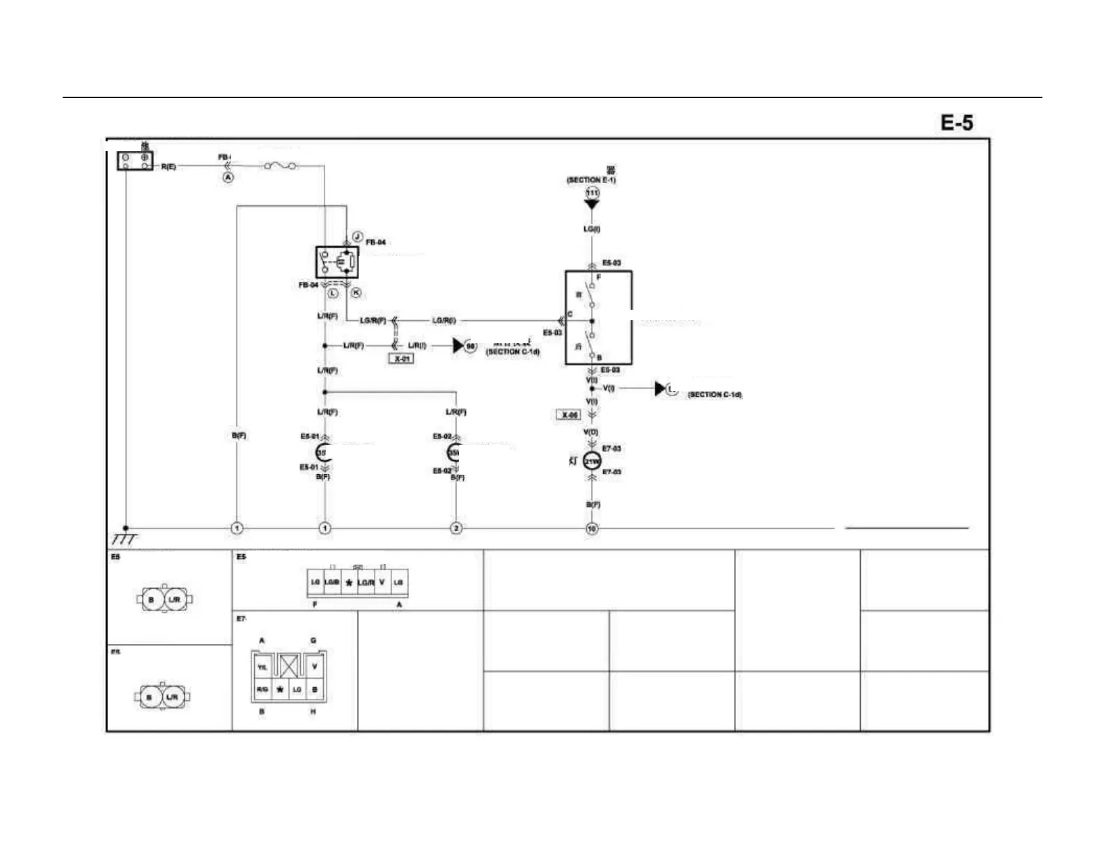
Front fog lamp and rear fog lamp
TNS relay
Front/rear fog lamp switch
Left front fog lamp
Right front
fog lamp
Left rear
fog lamp
Front fog lamp relay
Front fog lamp 10A
Battery
Combination instrument
Combination
instrument
Right front fog lamp (F)
Left front fog lamp (F)
Left rear fog lamp (D)
Front/rear fog lamp switch (I)

Table of Contents

Related product manuals