EasyManua.ls Logo

HAIMA 7 - Page 593

HAIMA 7
654 pages
Print Icon
To Next Page IconTo Next Page
To Next Page IconTo Next Page
To Previous Page IconTo Previous Page
To Previous Page IconTo Previous Page
Loading...
54
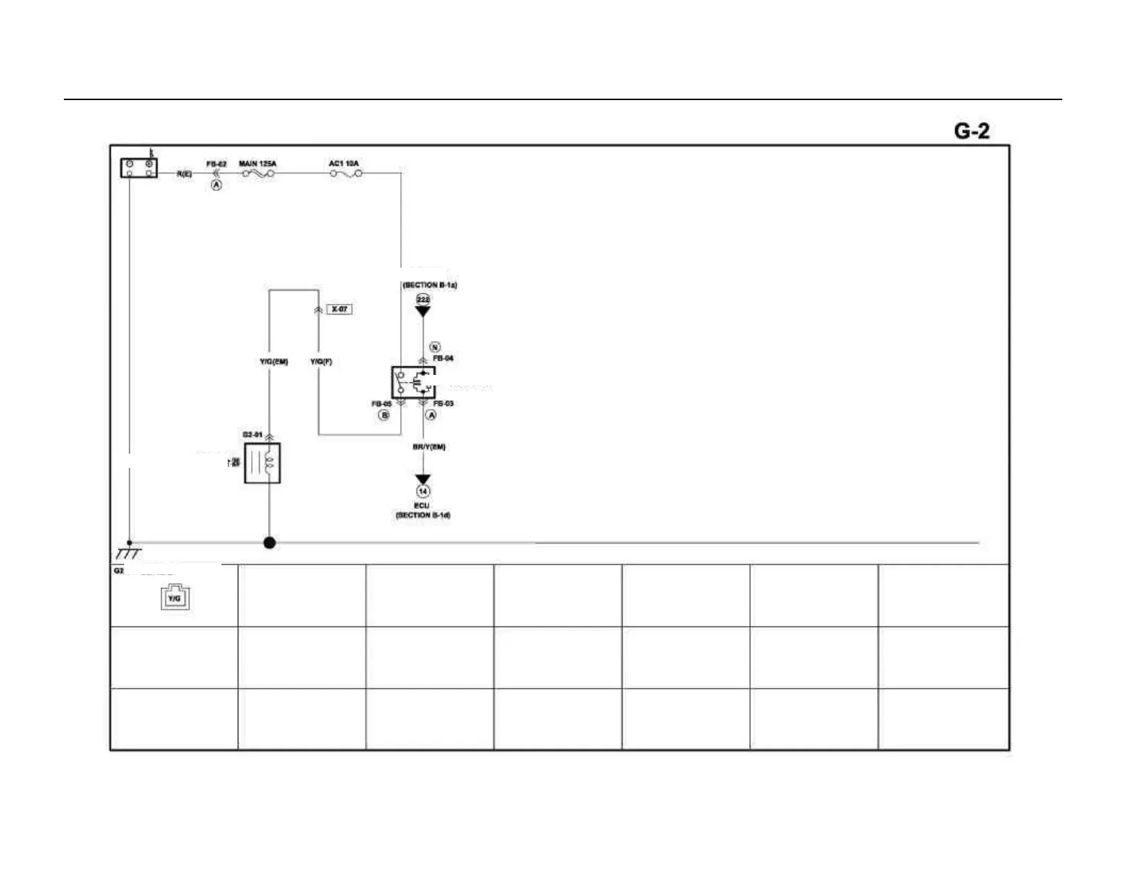
Compressor control system
Battery
Main relay
Com
pressor relay
Electromagnetic clutch
Electromagnetic clutch

Table of Contents

Related product manuals