EasyManua.ls Logo

HAIMA 7 - Page 603

HAIMA 7
654 pages
Print Icon
To Next Page IconTo Next Page
To Next Page IconTo Next Page
To Previous Page IconTo Previous Page
To Previous Page IconTo Previous Page
Loading...
64
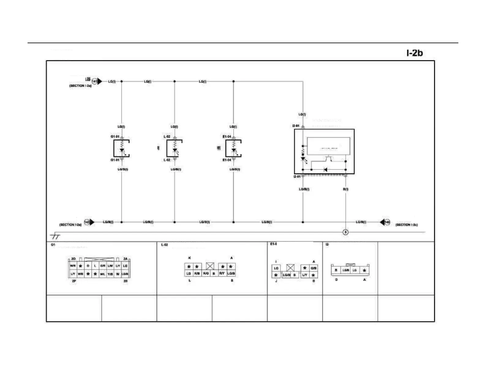
Lighting lamp
TNS relay
Illumination of
A/C control
Illumination of headlight
adjusting switch
Instrument lamp control switch
Illumination of
rear-
view mirror fold
switch
Control circuit
Lighting lamp
Lighting lamp
Illumination of A/C control (I)
Headlight adjusting
switch (I)
Illumination of rear-view mirror fold switch (I)
Illumination of instrument
lamp control switch (I)

Table of Contents

Related product manuals