EasyManua.ls Logo

HAIMA 7 - Page 605

HAIMA 7
654 pages
Print Icon
To Next Page IconTo Next Page
To Next Page IconTo Next Page
To Previous Page IconTo Previous Page
To Previous Page IconTo Previous Page
Loading...
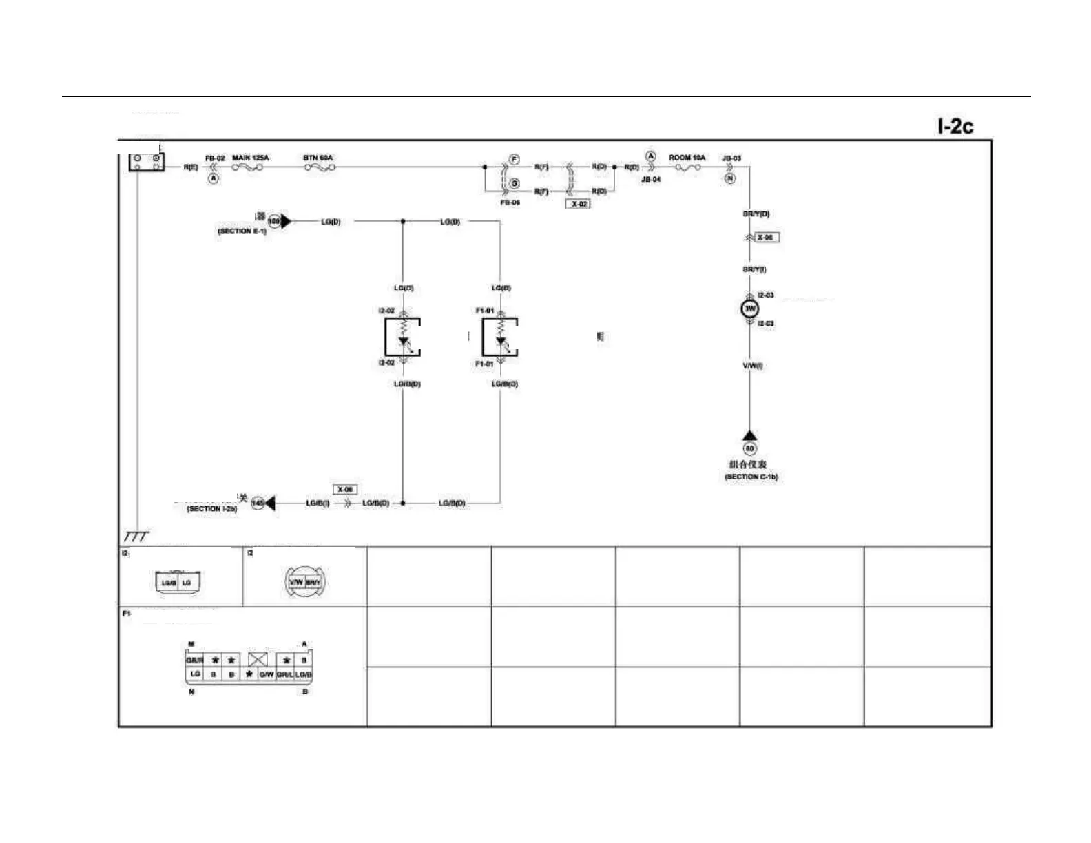
66
TNS relay
Lighting lamp
Battery
Illumination of ignition switch
Illumination of cigarette lighter
(I)
Instrument panel
lamp control switch
Illumination of
hazard
warning lamp switch
Illumination of ignition switch (I)
Illumination of
hazard warning lamp switch (D)
Illumination of
cigarette lighter

Table of Contents

Related product manuals