EasyManua.ls Logo

Keysight N1911A

Keysight N1911A
771 pages
To Next Page IconTo Next Page
To Next Page IconTo Next Page
To Previous Page IconTo Previous Page
To Previous Page IconTo Previous Page
Loading...
1 Power Meter Remote Operation
72 N1911A/1912A P-Series Power Meters Programming Guide
How Measurements are Calculated
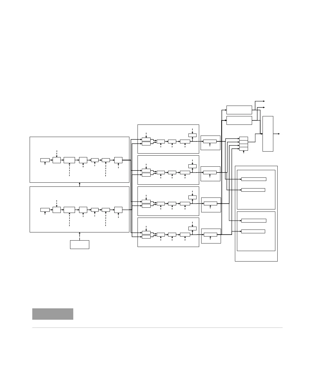
Figure 1-6 details how measurements are calculated. It shows the order in which
the various power meter functions are implemented in the measurement
calculation.
Figure 1-6 How Measurement are Calculated
The MEASure commands in this figure can be replaced with the FETCh? and READ?
commands.
TRIGger
DISPlay
WINDow2
:FORMat
:METer
:SELect [1]|2
:NUMeric[1]:RESolution
:NUMeric2:RESolution
Upper Meas
Lower Meas
UNIT4
Conversion
:POW
CALCulate2
Maths Offset Relative
Limits
:MATH :GAIN :REL
:LIM
Switch
Switch
:FEED
UNIT2
Conversion
:POW
UNIT3
Conversion
:POW
UNIT1
Conversion
:POW
CALCulate4
Maths Offset Relative
Limits
:MATH :GAIN :REL
:LIM
Switch
Switch
:FEED
CALCulate1
Maths Offset Relative
Limits
:MATH :GAIN :REL
:LIM
Switch
Switch
:FEED
CALCulate3
Maths Offset Relative
Limits
:MATH :GAIN :REL
:LIM
Switch
Switch
:FEED
[WINDow[1]]
:FORMat
:METer
:SELect [1]|2
:NUMeric[1]:RESolution
:NUMeric2:RESolution
Upper Meas
Lower Meas
SENSe1
Sensor Filter
Freq.
Corr.
Offset
Duty
Cycle
:SPEed
:POW:AC:RANG
:POW:AC:RANG:AUTO:DIR
:DET:FUNC
:AVER[1]
:FREQ
:CORR:CFAC
:CORR:CSET
:CORR:GAIN2
:CORR:LOSS2
:CORR:DCYC
Video
Filter
Data
Selection
:BAND:VID (B/W)
:AVER2 (video averaging)
:SWEep:TIME:GATE:DELay
:SWEep:TIME:GATE:LENGth
SENSe2
Sensor Filter
Freq.
Corr.
Offset
Duty
Cycle
:SPEed
:POW:AC:RANG
:POW:AC:RANG:AUTO:DIR
:DET:FUNC
:AVER[1]
:FREQ
:CORR:CFAC
:CORR:CSET
:CORR:GAIN2
:CORR:LOSS2
:CORR:DCYC
Video
Filter
Data
Selection
:BAND:VID (B/W)
:AVER2 (video averaging)
:SWEep:TIME:GATE:DELay
:SWEep:TIME:GATE:LENGth
:CONTrast
:ENABle
:FORMat
FORMat
Switch
Switch
Switch
Switch
MEAS?
READ?
FETC?
CONF
TRACe:DATA?
“TRACe1”
TRACe:DATA?
“TRACe2”
WINDow1
WINDow2
NOTE
All references to Channel B in the above diagram refer to the N1912A only.

Table of Contents

Other manuals for Keysight N1911A

Related product manuals