EasyManua.ls Logo

HAIMA 7 - Page 555

HAIMA 7
654 pages
Print Icon
To Next Page IconTo Next Page
To Next Page IconTo Next Page
To Previous Page IconTo Previous Page
To Previous Page IconTo Previous Page
Loading...
16
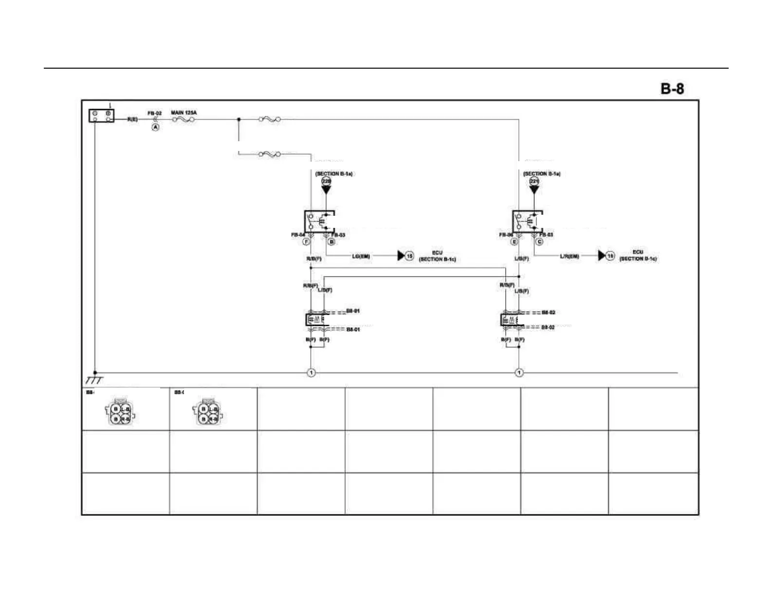
Fan control system
Low-speed cooling fan 20A
Battery
High-speed cooling fan 20A
Mani relay
High-speed cooling fan relay
Mani relay
Low-speed cooling fan relay
High-speed cooling fan
Low-speed cooling fan
Low-speed cooling fan (F) High-speed cooling fan (F)

Table of Contents

Related product manuals