EasyManua.ls Logo

HAIMA 7 - Page 556

HAIMA 7
654 pages
Print Icon
To Next Page IconTo Next Page
To Next Page IconTo Next Page
To Previous Page IconTo Previous Page
To Previous Page IconTo Previous Page
Loading...
17
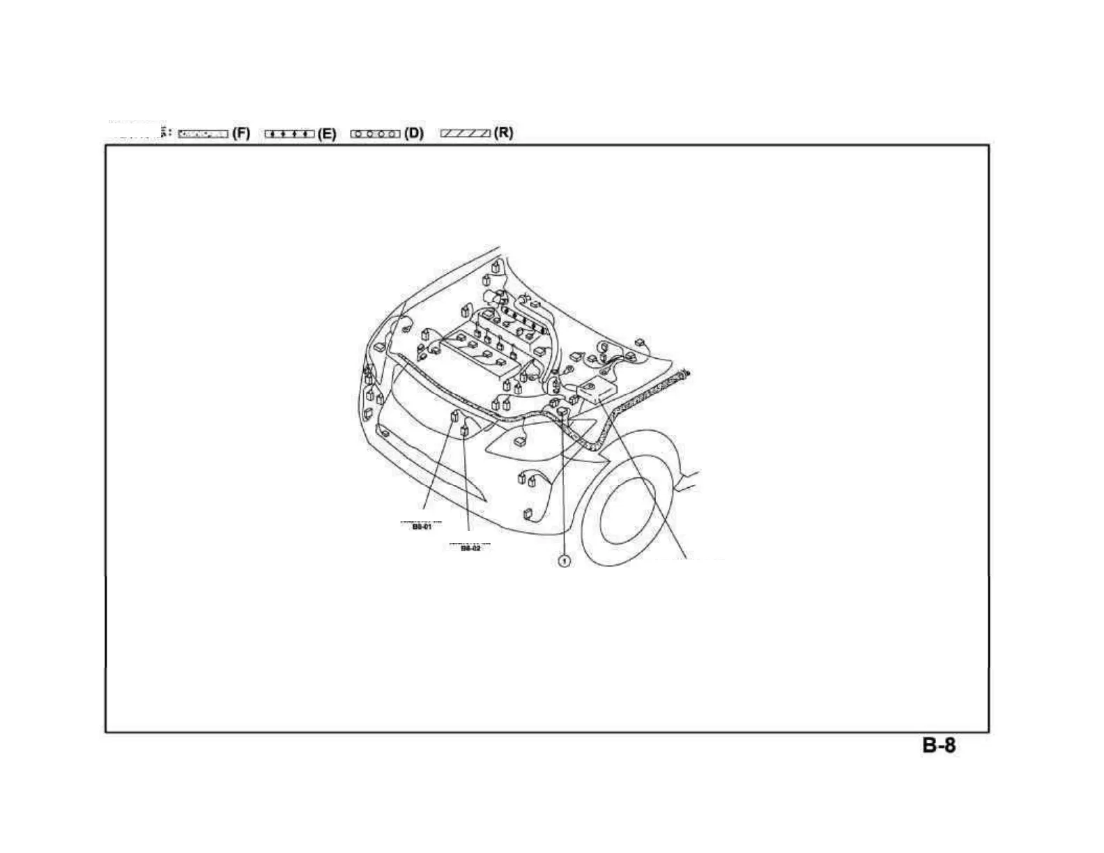
Mark on harness:
Fuse block (see section
Low-speed cooling fan
High-speed cooling fan

Table of Contents

Related product manuals