EasyManua.ls Logo

HAIMA 7 - Page 557

HAIMA 7
654 pages
Print Icon
To Next Page IconTo Next Page
To Next Page IconTo Next Page
To Previous Page IconTo Previous Page
To Previous Page IconTo Previous Page
Loading...
18
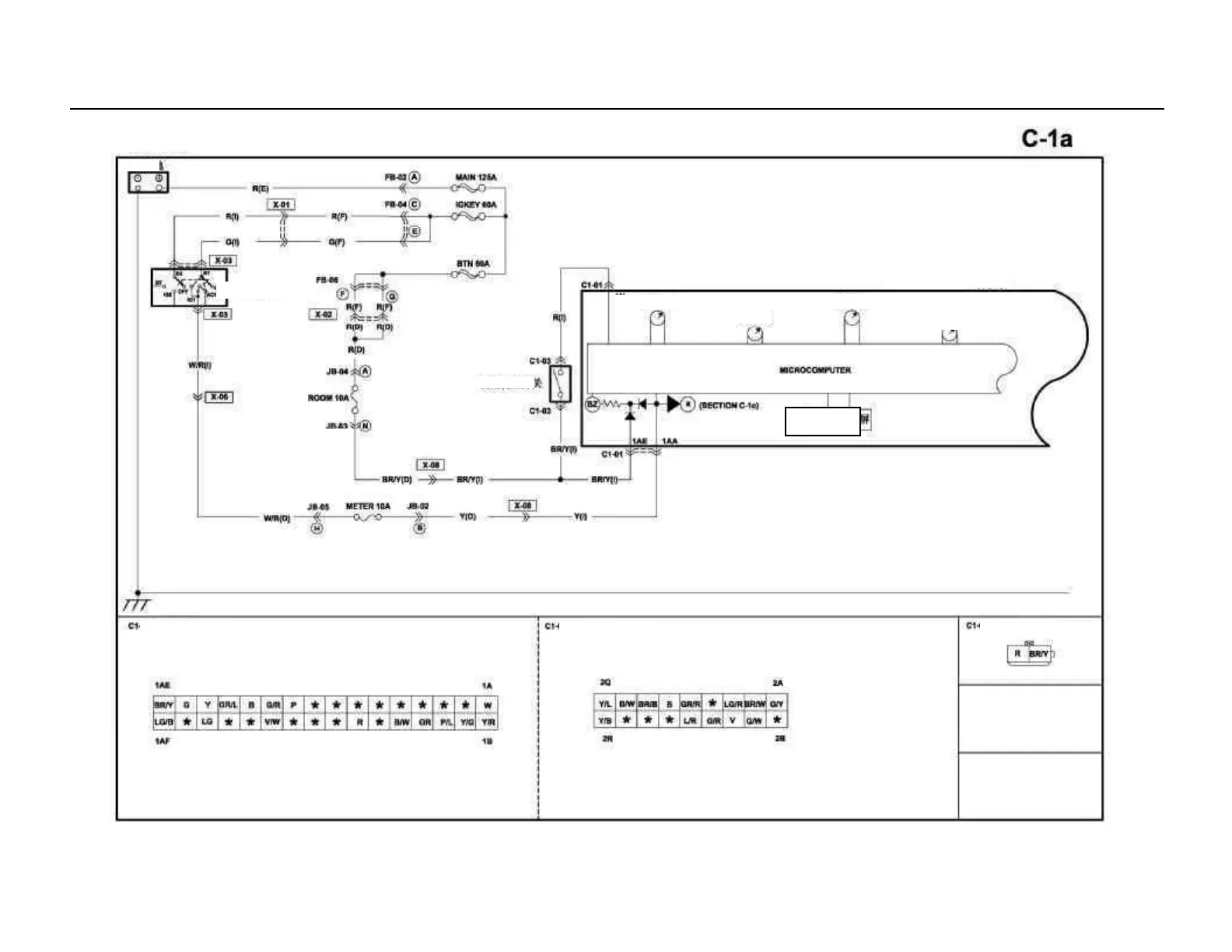
Combination instrument
Ignition switch
Battery
Key reminder switch
Combination instrument (I)
Combination instrument (I)
Speedometer
Tachometer
Fuel meter
Coolant temperature gauge
Combination instrument
Odometer
display
Key reminder switch
(I)

Table of Contents

Related product manuals