EasyManua.ls Logo

HAIMA 7 - Page 571

HAIMA 7
654 pages
Print Icon
To Next Page IconTo Next Page
To Next Page IconTo Next Page
To Previous Page IconTo Previous Page
To Previous Page IconTo Previous Page
Loading...
32
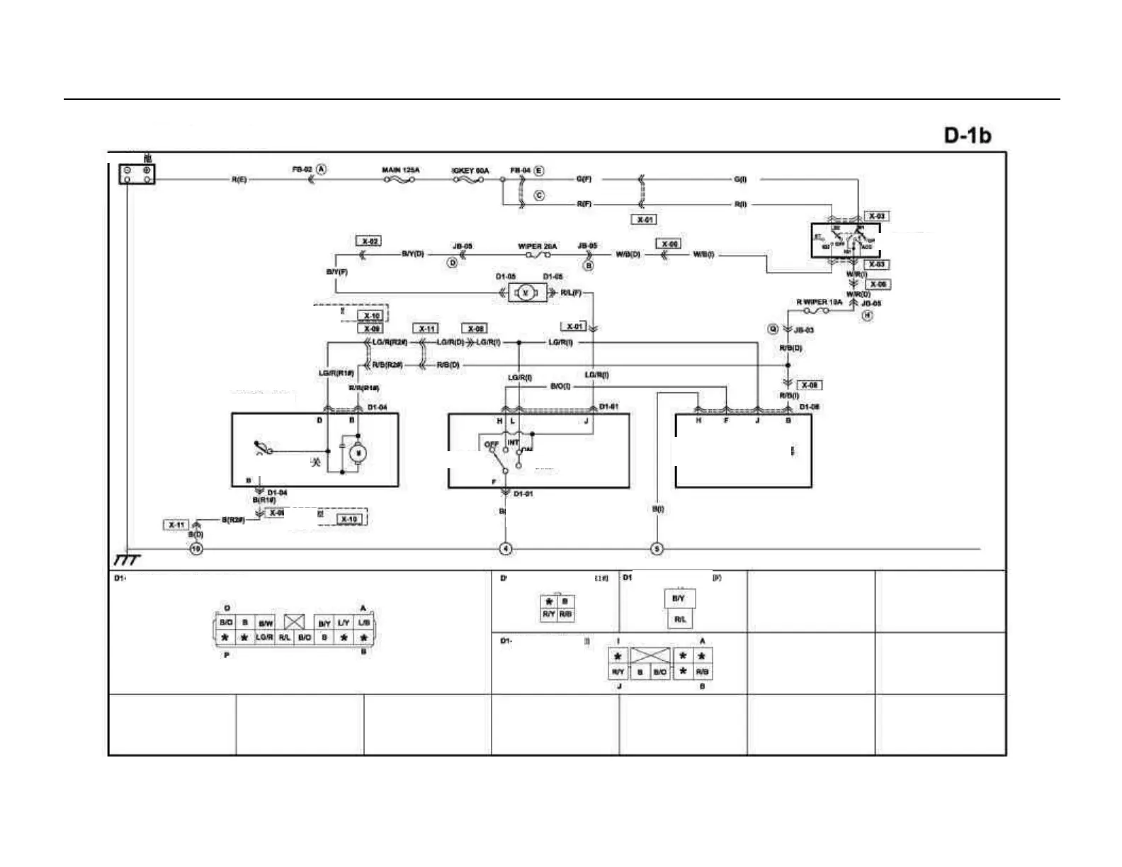
Windshield wiper and washer
Battery
Rear window washer
Rear wiper motor
Washer
Washer
Ignition switch
Intermittent relay of rear
window wiper
Washer switch of rear
window wiper
Some
models
Some
models
Automatic
stop switch
Windshield wiper and washer switch (I)
Rear windshield wiper
motor (R1#)
Rear windshiel
d washer
motor (F)
Intermittent relay of
rear wiper (I)

Table of Contents

Related product manuals