EasyManua.ls Logo

HAIMA 7 - Page 573

HAIMA 7
654 pages
Print Icon
To Next Page IconTo Next Page
To Next Page IconTo Next Page
To Previous Page IconTo Previous Page
To Previous Page IconTo Previous Page
Loading...
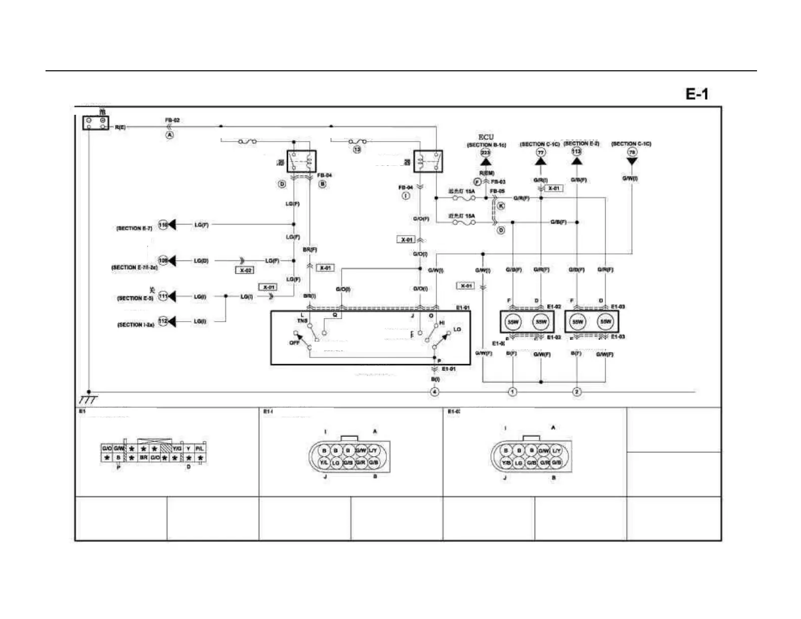
34
Headlight
Battery
Position lamp 15A
Headlight relay
Combination
Instrument
Combination
Instrument
Headlight
adjusting switch
TNS relay
Front position
lamp
Front rear fog
lamp
Lighting lamp
Lighting lamp
Taillight
License lamp
Front fog lamp 15A
Hea
dlight switch
Headlight
Overtake flash
Left headlight
Right headlight
Right headlight (F)
Left headlight (F)
Headlight switch (D)

Table of Contents

Related product manuals