EasyManua.ls Logo

HAIMA 7 - Page 579

HAIMA 7
654 pages
Print Icon
To Next Page IconTo Next Page
To Next Page IconTo Next Page
To Previous Page IconTo Previous Page
To Previous Page IconTo Previous Page
Loading...
40
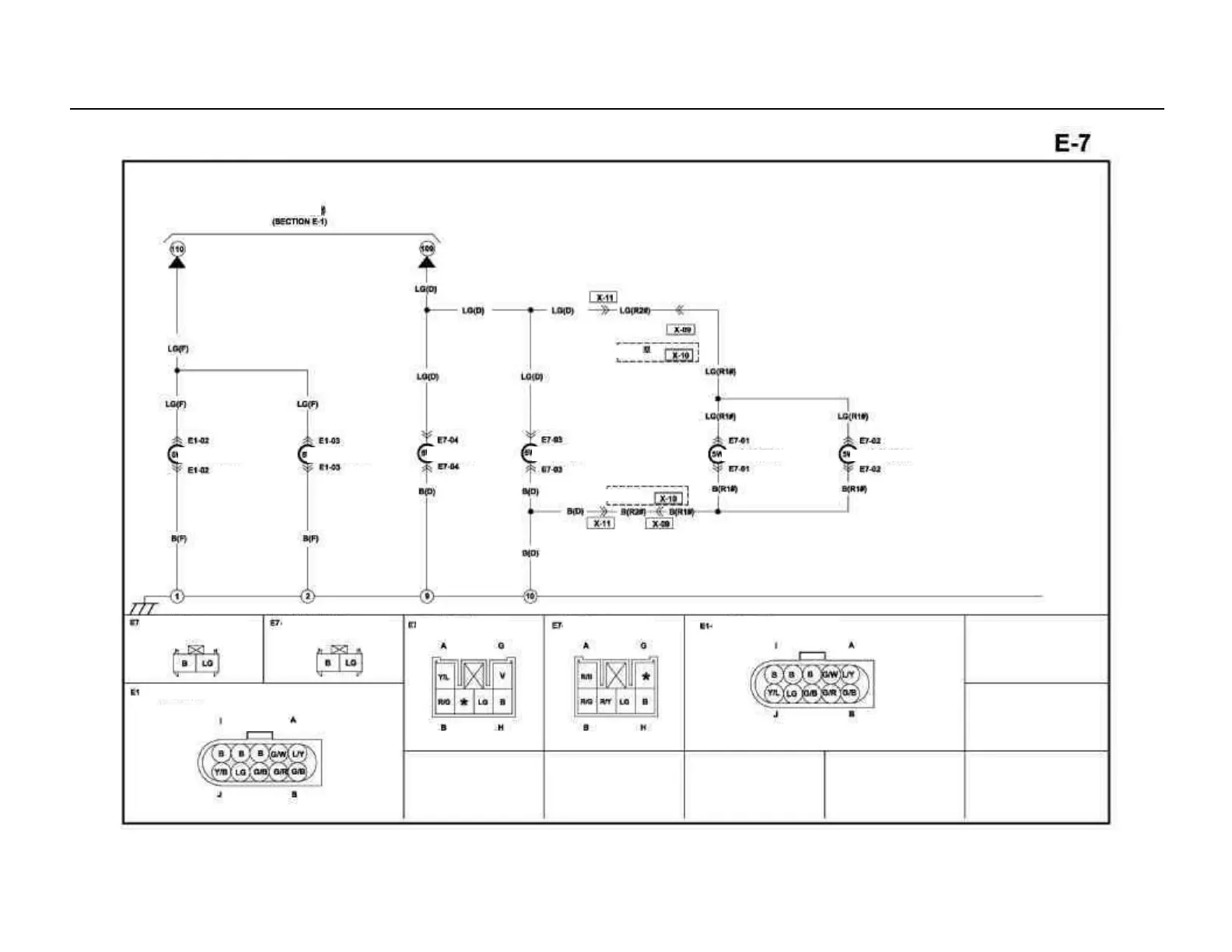
License lamp/position lamp/taillight
LNS relay
Some
models
Some models
Left position lamp Right position lamp
Right taillight
Left taillight
Left license lamp
Right license lamp
Left position lamp (F) Right taillight (D)
Left taillight (D)
Left license lamp (R1#) Right license lamp (R1#)
Right position lamp (F)

Table of Contents

Related product manuals