EasyManua.ls Logo

HAIMA 7 - Page 587

HAIMA 7
654 pages
Print Icon
To Next Page IconTo Next Page
To Next Page IconTo Next Page
To Previous Page IconTo Previous Page
To Previous Page IconTo Previous Page
Loading...
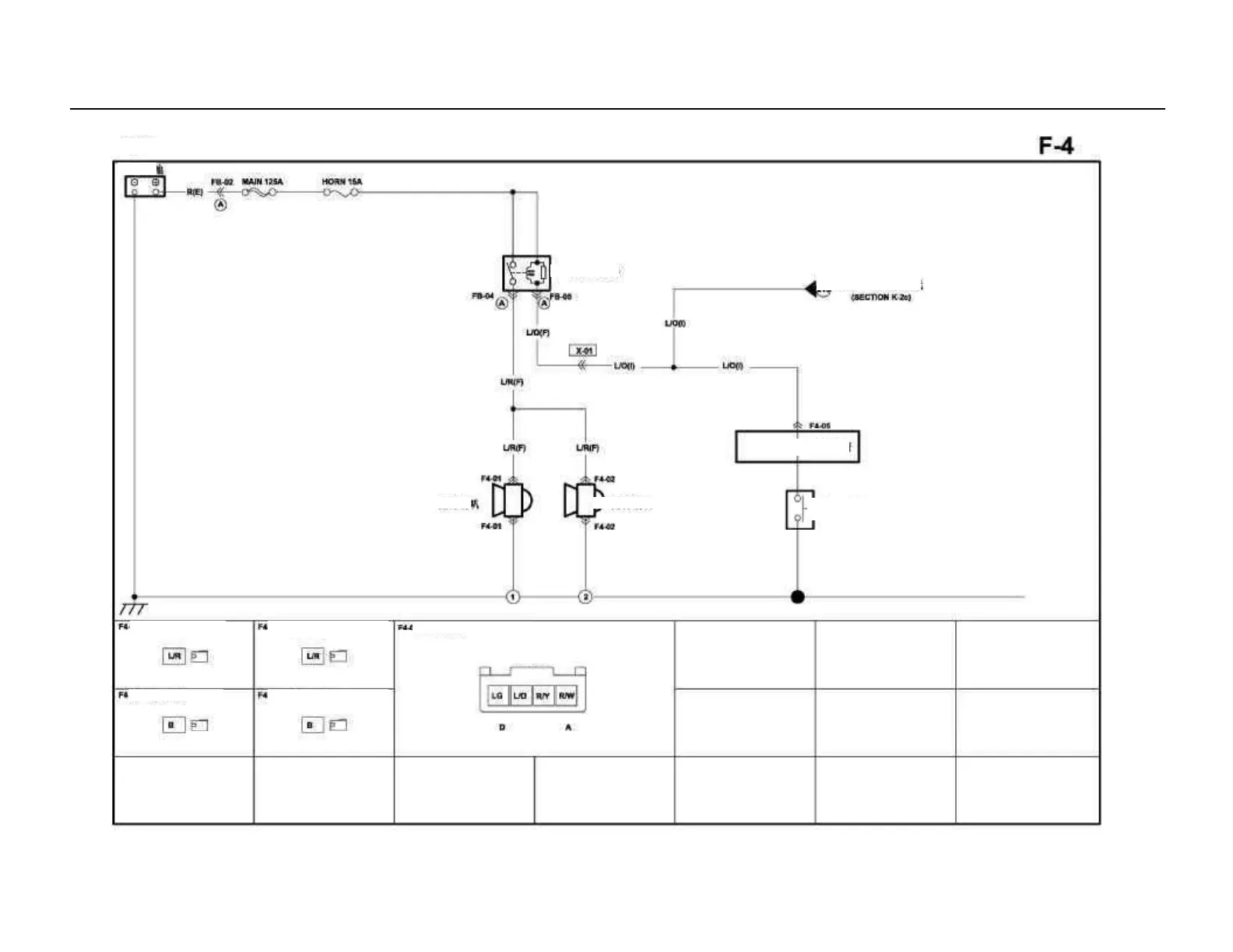
48
Horn
Battery
Horn relay
High pitch loudspeaker
Base loudspeaker
Horn switch
Clock spring
High pitch loudspeaker (F)
Base loudspeaker (F)
Base loudspeaker (F)
High pitch loudspeaker (F)
Horn switch (I)
(Clock spring)
Remote keyless
entry control unit

Table of Contents

Related product manuals