EasyManua.ls Logo

HAIMA 7 - Page 589

HAIMA 7
654 pages
Print Icon
To Next Page IconTo Next Page
To Next Page IconTo Next Page
To Previous Page IconTo Previous Page
To Previous Page IconTo Previous Page
Loading...
50
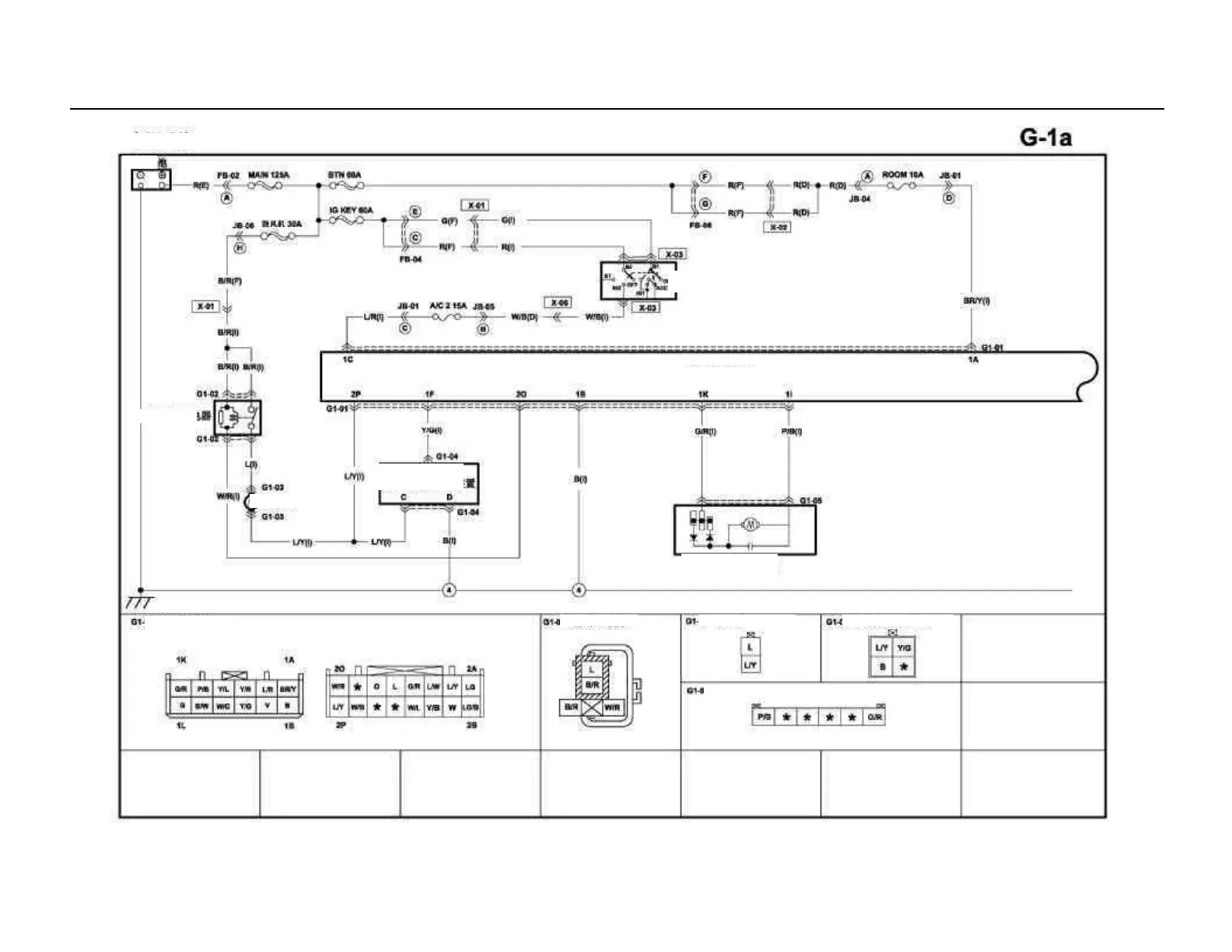
A/C system
Batter
y
Ignition switch
A/C control unit
Blower relay
Blower
Blower speed adjuster (I)
Circulated
inside/outside air
door
Blower speed
adjuster
Circulated inside/outside air door (I)
Blower (I) Blower relay (I)
A/C control unit (I)

Table of Contents

Related product manuals