EasyManua.ls Logo

HAIMA 7 - Page 601

HAIMA 7
654 pages
Print Icon
To Next Page IconTo Next Page
To Next Page IconTo Next Page
To Previous Page IconTo Previous Page
To Previous Page IconTo Previous Page
Loading...
62
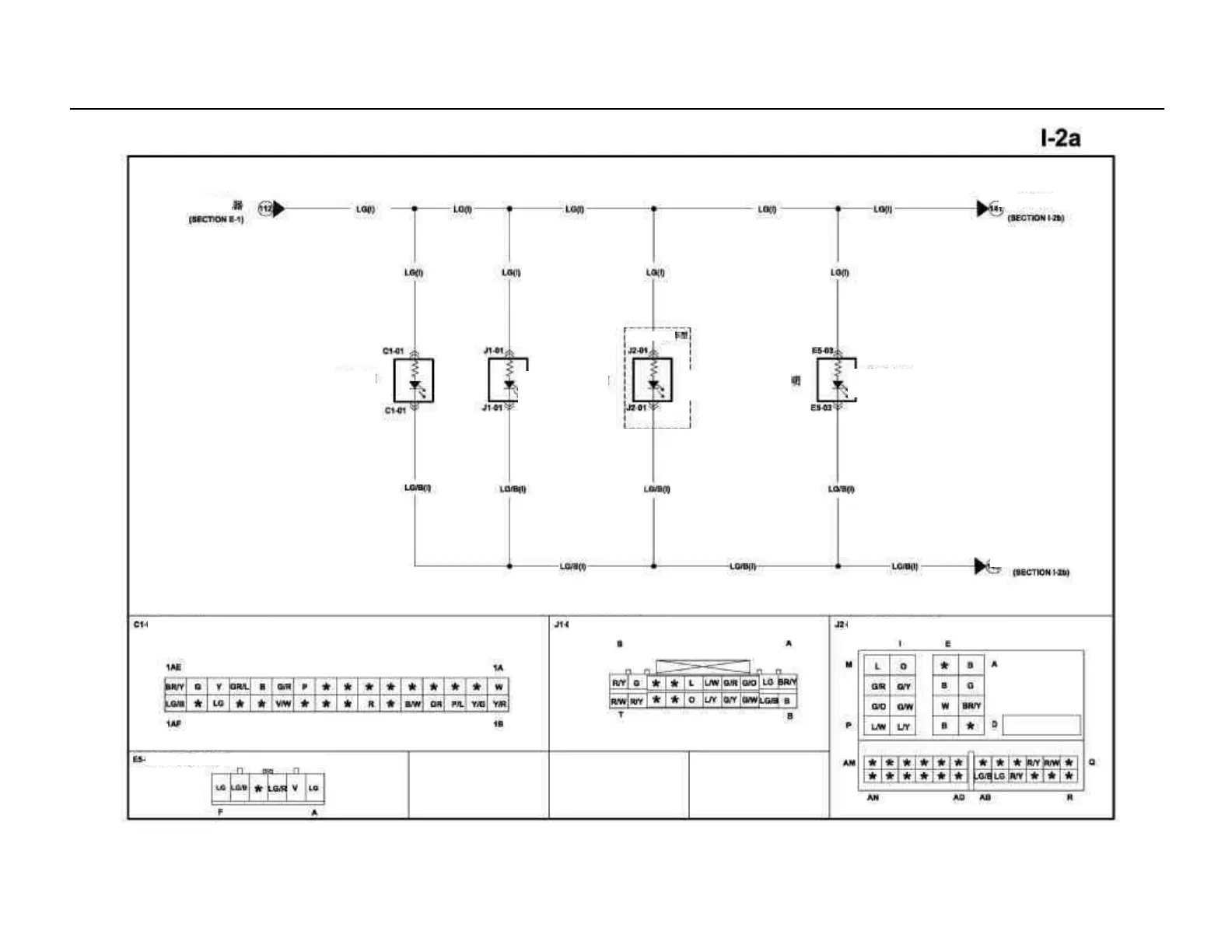
Lighting lamp
TNS relay
Instrument Illumination
Lighting lamp
Illumination of
audio CD unit
Illumination of audio
CD + GPS unit
Illumination of front
rear fog lamp switch
Instrument panel lamp
control switch
Instrument Illumination (I)
Some models
Illumination of audio CD (I)
Illumination of audio CD + GPS (I)
Illumination of front rear fog lamp switch (I)

Table of Contents

Related product manuals