EasyManua.ls Logo

HAIMA 7 - Page 607

HAIMA 7
654 pages
Print Icon
To Next Page IconTo Next Page
To Next Page IconTo Next Page
To Previous Page IconTo Previous Page
To Previous Page IconTo Previous Page
Loading...
68
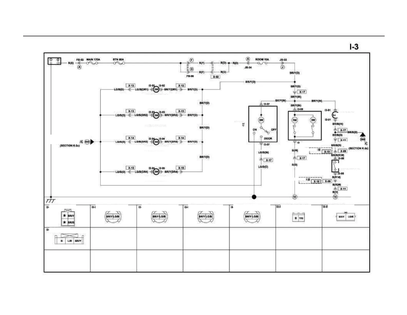
Interior lamp/reading lamp /courtesy lamp /trunk lamp
Reading lamp
Left front door courtesy lamp
Right front door courtesy
Left rear door courtesy lamp
Right rear door courtesy lamp
Remote keyless
entry control unit
Trunk lamp
Trunk lamp switch
Interior lamp
Some models
Some models
Liftgate lock unit
Interior lamp (IN)
Trunk lamp switch (R1#)
Right rear door courtesy lamp
(DR4)
Left rear door courtesy lamp
(DR4)
Left front door courtesy lamp
(DR1)
Right front door courtesy lamp
(DR2)
Interior lamp (IN)
Reading lamp (IN)

Table of Contents

Related product manuals