EasyManua.ls Logo

HAIMA 7 - Page 615

HAIMA 7
654 pages
Print Icon
To Next Page IconTo Next Page
To Next Page IconTo Next Page
To Previous Page IconTo Previous Page
To Previous Page IconTo Previous Page
Loading...
76
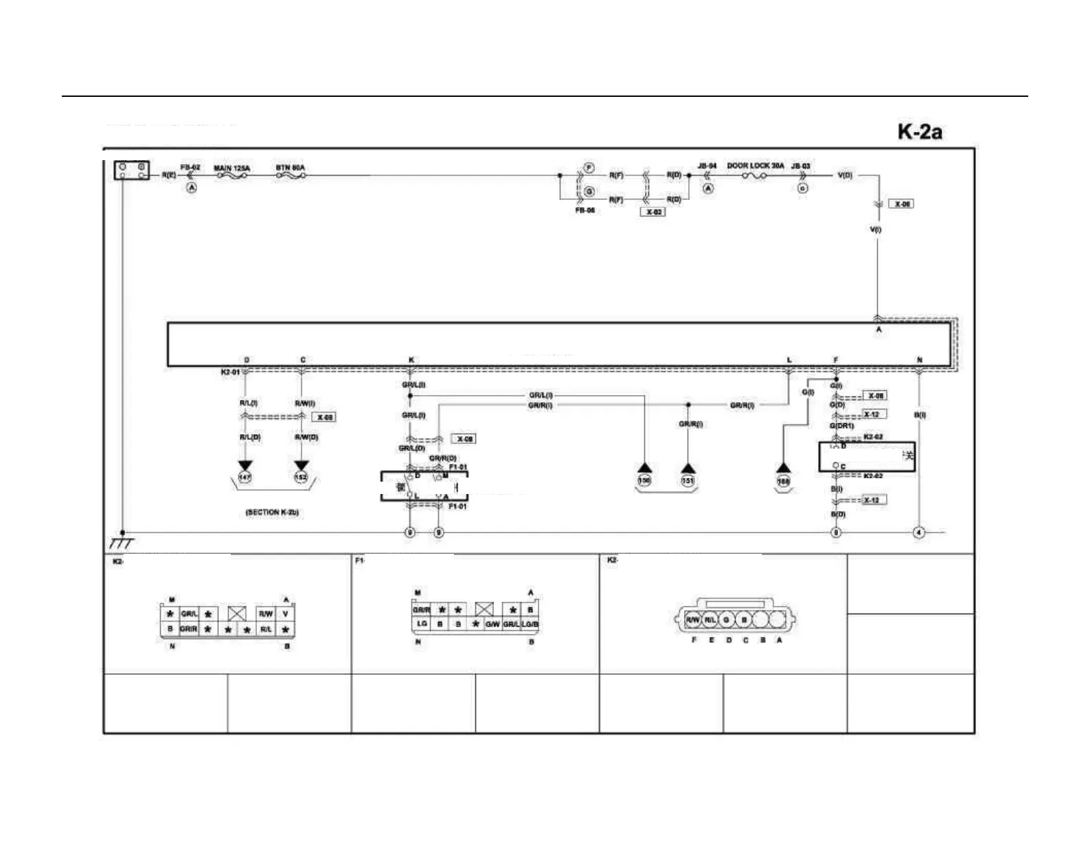
Remote/Central control door lock system
Central door lock unit
Locked
Unlock
Battery
Central lock switch
Door lock actuator
Remote keyless entry
control unit
(SECTION (K
-
2C)
Remote keyless entry
control unit
(SECTION (K-2C)
Left front door lock gang
switch
Central door lock unit (D) Central lock switch (D)
Front left door lock actuator (DR1)

Table of Contents

Related product manuals