EasyManua.ls Logo

HAIMA 7 - Page 617

HAIMA 7
654 pages
Print Icon
To Next Page IconTo Next Page
To Next Page IconTo Next Page
To Previous Page IconTo Previous Page
To Previous Page IconTo Previous Page
Loading...
78
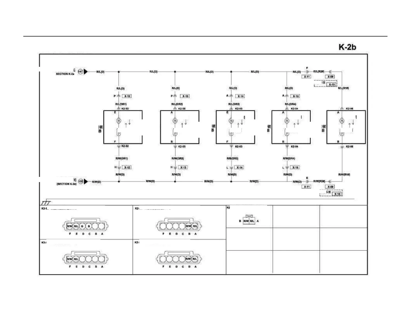
Remote/Central control door lock system
Central door lock unit
Locked
Locked
Locked
Locked
Locked
Unlock
Unlock
Unlock
Unlock
Unlock
Front left
door lock
actuator
Front right
door lock
actuator
Rear right
door lock
actuator
Rear left
door lock
actuator
Lift gate
lock
actuator
Central door lock unit
Some models
Front left door lock actuator (DR1)
Front right door lock actuator (DR2)
Rear left door lock actuator (DR3)
Rear right door lock actuator (DR4)
Trunk cover opening
motor (R1#)
Some models

Table of Contents

Related product manuals