EasyManua.ls Logo

HAIMA 7 - Page 618

HAIMA 7
654 pages
Print Icon
To Next Page IconTo Next Page
To Next Page IconTo Next Page
To Previous Page IconTo Previous Page
To Previous Page IconTo Previous Page
Loading...
79
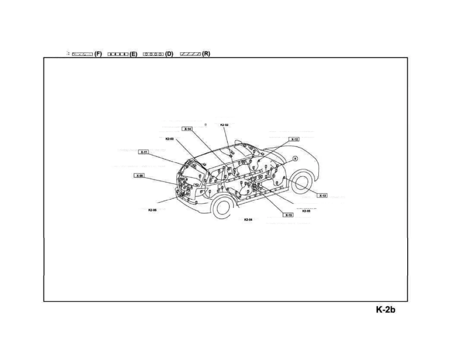
Mark on harness:
Middle harness (D)-front door harness (DR2)
Middle harness (D)-front door harness (DR1)
Middle harness (D)-rear door harness (DR3)
2# harness (R2#), lift gate-middle harness (D)
2# harness (R2#), lift gate-1# harness (R1#), lift gate
Front left door lock actuator
Rear left door lock actuator
Trunk opening motor
Rear right door lock
actuator
Middle harness (D)-rear door harness (DR4)
Front right door lock actuator

Table of Contents

Related product manuals